芯片简介
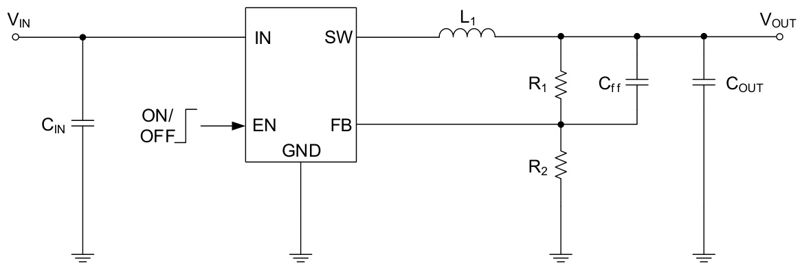
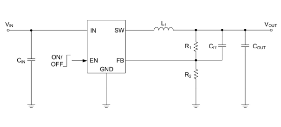
SK6620A是一款高效率单片同步降压调节器,采用恒定频率电流模式架构,支持2.7V至5.5V输入电压范围,适用于单节锂离子电池应用。其特性包括100%占空比低压差运行、PWM/PFM模式低纹波输出、1.2MHz开关频率、内部软启动机制及0.6V反馈参考电压。内部组成框架包含控制电路、驱动电路、高/低侧MOSFET开关及保护模块(短路保护/过流限制/过压保护/过热关断)。
芯片特点:
输入2.7V~5.5V
输出0A~2A
内置MOS
1.2MHz
使能
软启动

SK6620A是一款高效率单片同步降压调节器,采用恒定频率电流模式架构,支持2.7V至5.5V输入电压范围,适用于单节锂离子电池应用。其特性包括100%占空比低压差运行、PWM/PFM模式低纹波输出、1.2MHz开关频率、内部软启动机制及0.6V反馈参考电压。内部组成框架包含控制电路、驱动电路、高/低侧MOSFET开关及保护模块(短路保护/过流限制/过压保护/过热关断)。
描述SK6620A 是一款高效单片同步降压调节器,采用恒定频率、电流模式架构。2.7V至5.5V的输入电压范围使其适用于单节锂离子电池供电的应用。内置短路保护、过流限制和过压保护功能,支持轻载下的PWM/PFM模式操作,提供非常低的输出纹波电压,适用于对噪声敏感的应用。
SMT扩展库
3000个/圆盘
总额¥0