芯片简介
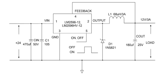
LM2596T-5.0是一款150KHz固定频率的PWM降压稳压芯片,具有3A输出电流能力,输入电压范围5V~30V,输出电压固定5V。内置频率补偿、过温保护、过流保护及带迟滞的使能功能,支持0%~100%占空比调节,采用高效率、低纹波设计,适用于高线性调整率和负载调整率场景。
芯片特点:
输入5V~30V
输出3A
内置MOS
150KHz
使能

LM2596T-5.0是一款150KHz固定频率的PWM降压稳压芯片,具有3A输出电流能力,输入电压范围5V~30V,输出电压固定5V。内置频率补偿、过温保护、过流保护及带迟滞的使能功能,支持0%~100%占空比调节,采用高效率、低纹波设计,适用于高线性调整率和负载调整率场景。
描述LM2596T-5.0 是一款150KHz固定频率的PWM DC-DC稳压电源转换器。它具有3A输出电流驱动能力,高效率、低纹波、高线性调整率和负载调整率等特点。该芯片采用PWM调制模式,能够调节占空比线性范围0~100%。内置固定频率振荡器和频率补偿模块,使用简单,仅需要极少量的外部元器件。此外,该芯片还内置带迟滞功能的使能、过温保护、过流保护和刺激过流保护等功能。
SMT扩展库
50个/管
总额¥0
近期成交4单