芯片简介
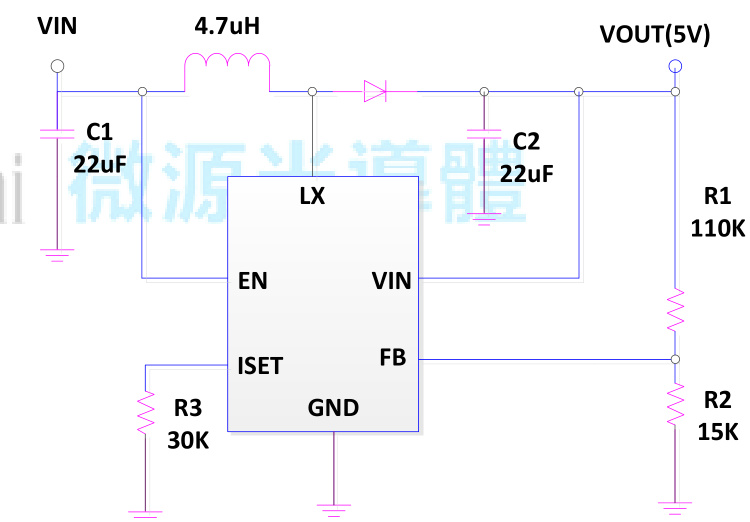
LP6222是一款电流模式升压DC-DC转换器,内置4.8A功率MOSFET,采用1MHz固定频率PWM控制,轻载时自动切换至PFM模式。集成内部补偿网络与欠压锁定、过流及过热保护,具备软启动功能,支持使能控制以实现低至1μA的关机电流。
芯片特点:
输入2.5V~5.5V
输出2.5V~9V
内置MOS
1MHz
使能
软启动

LP6222是一款电流模式升压DC-DC转换器,内置4.8A功率MOSFET,采用1MHz固定频率PWM控制,轻载时自动切换至PFM模式。集成内部补偿网络与欠压锁定、过流及过热保护,具备软启动功能,支持使能控制以实现低至1μA的关机电流。
描述LP6222是一款高效率的升压DC-DC转换器,采用固定频率PWM控制方案,内置4.8A电流功率MOSFET,具有自动脉冲频率调制模式,内部补偿和软启动功能,支持高达9V的输出电压,关断电流小于1μA。
SMT扩展库
3000个/圆盘
总额¥0
近期成交7单