芯片简介
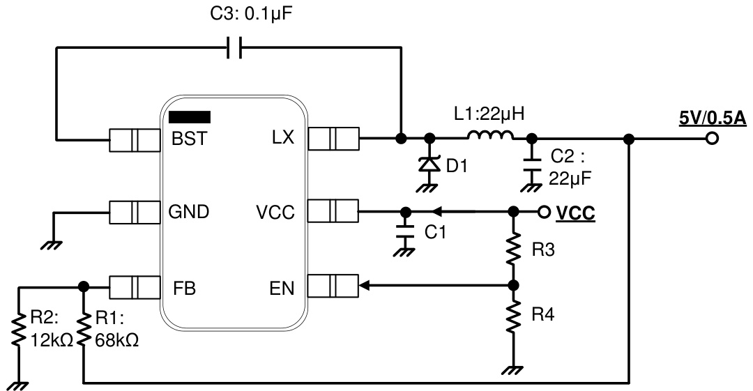
BD9G102G-LBTR是一款42V输入、0.5A输出的非同步降压转换器,集成42V高边功率MOSFET。采用1.0MHz固定开关频率设计,内置相位补偿元件。关键特性包括:0.75V±2.0%精度的反馈电压基准,1.8V±0.1V的精确使能阈值,集成过流保护、欠压锁定、热关断等多重保护功能。内部结构包含误差放大器、振荡器、软启动电路和栅极驱动电压发生器。
芯片特点:
输入6V~42V
输出0.5A
内置MOS管
1MHz
使能
软启动

BD9G102G-LBTR是一款42V输入、0.5A输出的非同步降压转换器,集成42V高边功率MOSFET。采用1.0MHz固定开关频率设计,内置相位补偿元件。关键特性包括:0.75V±2.0%精度的反馈电压基准,1.8V±0.1V的精确使能阈值,集成过流保护、欠压锁定、热关断等多重保护功能。内部结构包含误差放大器、振荡器、软启动电路和栅极驱动电压发生器。
描述BD9G102G-LB是一款42V、0.5A非同步降压转换器,内置高侧42V内部电源MOSFET。该器件支持6V至42V的宽输入电压范围,具有1.0MHz固定开关频率,内置相位补偿电路和多种保护功能,如过流保护、热关断和欠压锁定。适用于工业设备和电池供电设备。
RoHSSMT扩展库
3000个/圆盘
总额¥0