芯片简介
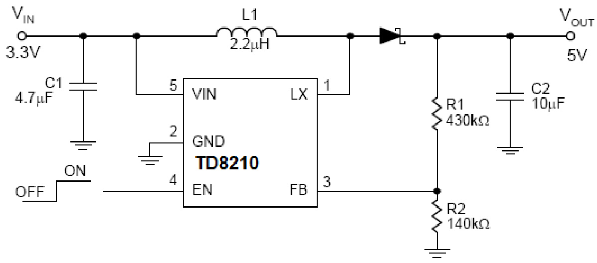
TD8210是一款固定开关频率(典型1.5MHz)的电流模式升压稳压器,内置0.2ΩN沟道MOSFET,支持软启动功能。采用误差放大器与比较器控制环路,具备欠压锁定(UVLO)、电流限制、过温保护(OTP)等多重保护机制,可实现高效率(最高90%)和快速瞬态响应。器件允许使用陶瓷输出电容,关断模式下静态电流低于1μA。
芯片特点:
输入2.7V~6V
输出Vin~28V
内置MOS
1.25MHz~1.75MHz
使能
软启动
工业品
TD8210是一款固定开关频率(典型1.5MHz)的电流模式升压稳压器,内置0.2ΩN沟道MOSFET,支持软启动功能。采用误差放大器与比较器控制环路,具备欠压锁定(UVLO)、电流限制、过温保护(OTP)等多重保护机制,可实现高效率(最高90%)和快速瞬态响应。器件允许使用陶瓷输出电容,关断模式下静态电流低于1μA。
描述偏光升压驱动
SMT扩展库
3000个/圆盘
总额¥0
近期成交9单