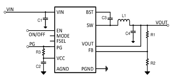
芯片简介
SCT2280FPAR是一款高效同步降压DCDC转换器,输入电压4.5V-18V,输出可调至0.6V,集成25mΩ/12mΩ低阻MOSFET。采用恒定导通时间(COT)控制实现快速瞬态响应,支持400KHz/800KHz/1.2MHz可选开关频率,具备1ms固定软启动、PFM/USM/PWM多模式操作。集成过流保护、过压保护、欠压锁定及热关断功能,适用于服务器、通信设备等高密度电源系统。
芯片特点:
输入4.5V~18V
输出8A
内置MOS
400KHz/800KHz/1.2MHz
使能
软启动




