芯片简介
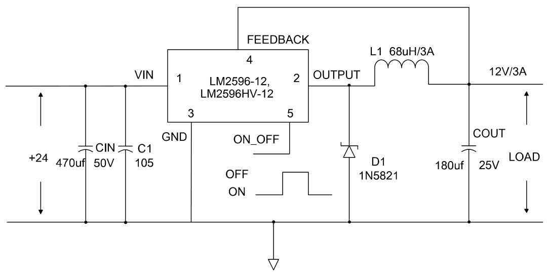
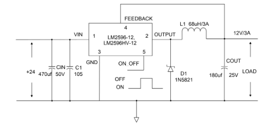
LM2596S-12是一款150KHz固定频率的PWM降压型DCDC稳压芯片,具有3A输出电流能力及高效率、低纹波特性。内置固定频率振荡器、频率补偿模块、过温保护、过流保护和使能控制功能,输入电压范围4.5V-30V(标准版)/60V(HV版),支持0-100%占空比调节。芯片采用PWM调制模式,包含控制电路、驱动电路及多重保护电路,提供高线性/负载调整率,在过流时自动降频至50KHz。

LM2596S-12是一款150KHz固定频率的PWM降压型DCDC稳压芯片,具有3A输出电流能力及高效率、低纹波特性。内置固定频率振荡器、频率补偿模块、过温保护、过流保护和使能控制功能,输入电压范围4.5V-30V(标准版)/60V(HV版),支持0-100%占空比调节。芯片采用PWM调制模式,包含控制电路、驱动电路及多重保护电路,提供高线性/负载调整率,在过流时自动降频至50KHz。
描述LM2596S-12是一款150KHz固定频率的PWM DC-DC稳压电源转换器。它具有3A输出电流驱动能力,高效率、低纹波、高线性调整率和负载调整率等特点。该芯片采用PWM调制模式,能够调节占空比线性范围0~100%。内置固定频率振荡器和频率补偿模块,使用简单,仅需要极少量的外部元器件。此外,该芯片还内置带迟滞功能的使能、过温保护、过流保护和刺激过流保护等功能。
SMT扩展库
800个/圆盘
总额¥0
近期成交30单
描述LM2596S-3.3 是一款 150KHz 固定频率的 PWM DC-DC 稳压电源转换器,具有 3A 输出电流驱动能力,高效率、低纹波、高线性调整率和负载调整率等特点。该芯片采用 PWM 调制模式,能够调节占空比线性范围 0~100%,内置固定频率振荡器和频率补偿模块,使用简单,仅需少量外部元器件。此外,还内置带迟滞功能的使能、过温保护、过流保护和降频功能。
SMT扩展库
800个/圆盘
总额¥0
近期成交7单
描述LM2596S-5.0 是一款3A输出电流的150KHz固定频率PWM DC-DC降压稳压器。它具有高效率、低纹波、高线性调整率和负载调整率等特点。该芯片采用PWM调制模式,能够调节占空比线性范围0~100%。内置固定频率振荡器和频率补偿模块,使用简单,仅需少量外部元器件。内置过温保护、过流保护和迟滞功能。
RoHSSMT扩展库
800个/圆盘
总额¥0
近期成交100单+
描述LM2596SADJ 是一款3A 150KHz固定频率的PWM DC-DC降压稳压器,具有高效率、低纹波、高线性调整率和负载调整率等特点。该芯片采用PWM调制模式,能够调节占空比线性范围0~100%。内置固定频率振荡器和频率补偿模块,使用简单,仅需要极少量的外部元器件。内置带迟滞功能的使能、过温保护、过流保护和刺激过流保护等功能。
SMT扩展库
800个/圆盘
总额¥0
近期成交58单