芯片简介
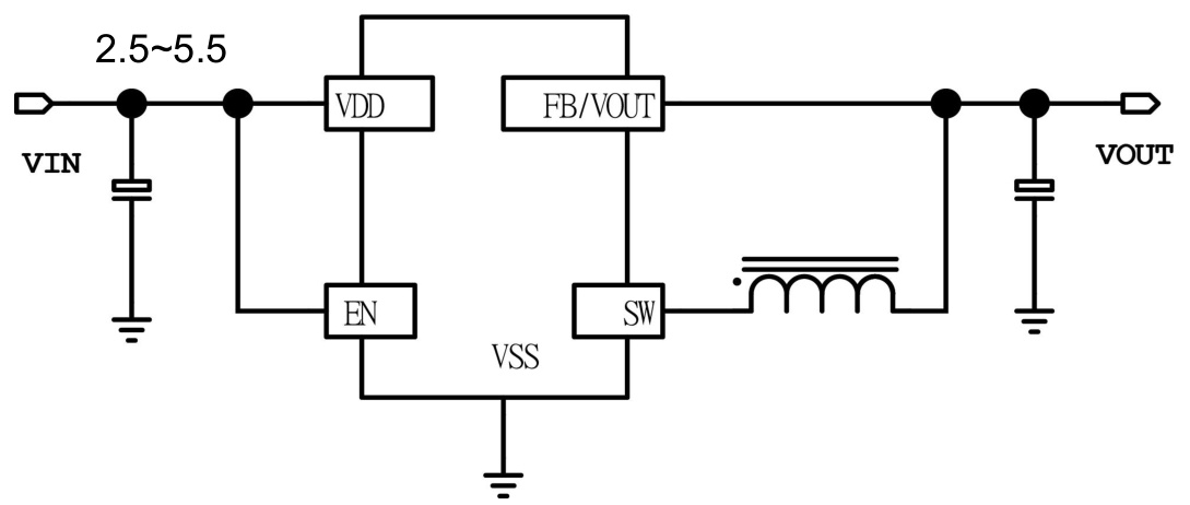
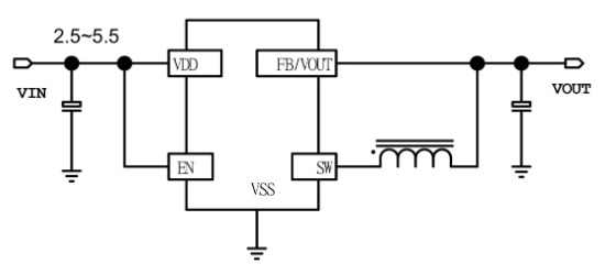
TX4101是一款同步整流降压型DC-DC电源转换芯片,输入电压范围2.5V~5.5V,输出电流700mA,支持输出电压0.6V~5.5V可调。采用同步整流架构提高转换效率,开关频率可调(150kHz~500kHz),内置MOS管,具备可调电流限制和智能过温保护功能,静态电流低至200μA,支持PWM/PFM自动模式转换。
芯片特点:
输入2.5V~5.5V
输出700mA
内置MOS
1MHz/1.4MHz
使能

TX4101是一款同步整流降压型DC-DC电源转换芯片,输入电压范围2.5V~5.5V,输出电流700mA,支持输出电压0.6V~5.5V可调。采用同步整流架构提高转换效率,开关频率可调(150kHz~500kHz),内置MOS管,具备可调电流限制和智能过温保护功能,静态电流低至200μA,支持PWM/PFM自动模式转换。
| 开源项目名称 | 开源项目介绍 |
|---|---|
| DC-DC降压芯片方案验证板-A版 | 该方案验证版,主要用于测试市面上常见的SOT-23封装的降压型DC/DC芯片,板子上目前集成了三种引脚排序。 |
描述TX4101是一款开关降压型、芯片采用同步整流架构提高了能量的转换效率,开关频率可调从150kHz-500kHz。芯片具有良好的带载能力和电压调节特性。内置MOS的快速瞬态响应提高了芯片工作稳定性。只需要少量的标准外部元件即可工作。芯片具有可调的电流限制和智能过温保护功能。
RoHSSMT扩展库
3000个/圆盘
总额¥0
近期成交25单