芯片简介
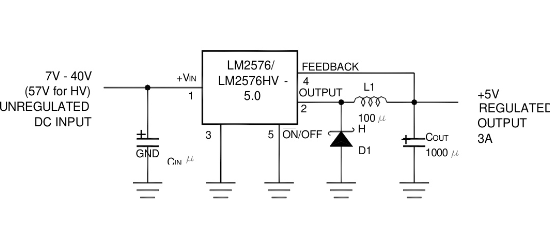
LM2576系列是单片集成降压开关稳压器,支持3A负载输出,提供固定及可调输出电压版本(1.23V-37V)。内置固定频率振荡器和频率补偿电路,仅需4个外部元件。具备高效率、宽输入电压范围(40V非HV版),采用标准电感简化设计。包含热关断和逐周期电流限制保护功能,支持外部TTL电平关机控制。
芯片特点:
输入8V~40V
输出3A
52kHz
使能

LM2576系列是单片集成降压开关稳压器,支持3A负载输出,提供固定及可调输出电压版本(1.23V-37V)。内置固定频率振荡器和频率补偿电路,仅需4个外部元件。具备高效率、宽输入电压范围(40V非HV版),采用标准电感简化设计。包含热关断和逐周期电流限制保护功能,支持外部TTL电平关机控制。
| 开源项目名称 | 开源项目介绍 |
|---|---|
| DCDC-TO263-5封装方案验证板 | PCB适用于TO263-5封装的DCDC降压芯片,由于包含型号较多,不同型号之间的参数存在差异,所以部分元件选用时需要视实际情况决定。 |
描述LM2576SADJ是一款单片集成电路,提供所有降压(buck)开关稳压器所需的主动功能。该设备能够驱动3A负载,具有优秀的线路和负载调节性能。它需要最少的外部组件,包括内部频率补偿和固定频率振荡器。LM2576系列提供高效率的替代方案,适用于流行的三端线性稳压器,显著减少散热器的尺寸,有时甚至不需要散热器。标准系列的电感器优化用于LM2576,简化了开关电源的设计。其他特性包括±4%的最大输出电压公差,±10%的振荡器频率公差,外部关断功能,低功耗待机模式,逐周期电流限制以及故障条件下的热关断保护。
RoHSSMT扩展库
800个/圆盘
总额¥0
近期成交56单
描述PCB空板 PCB适用于TO263-5封装的DCDC降压芯片,由于包含型号较多,不同型号之间的参数存在差异,所以部分元件选用时需要视实际情况决定。
1个/袋
总额¥0
近期成交2单