芯片简介
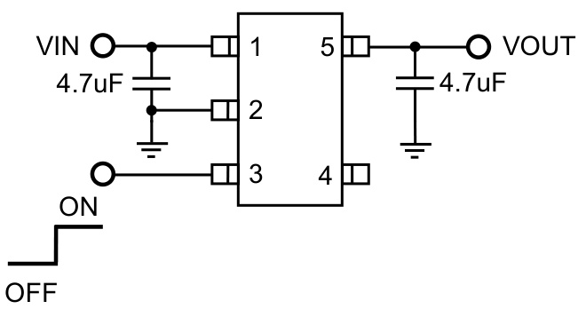
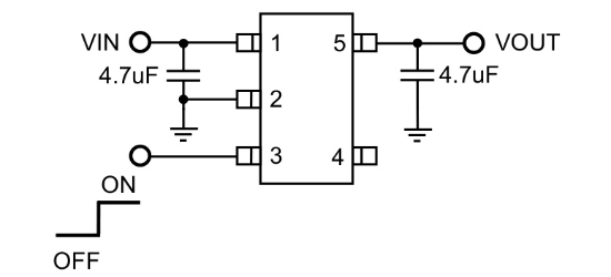
WL2803E系列是超低压差、低静态电流、高电源抑制比的CMOSLDO,压降电压典型值为130mV。采用CMOS结构,静态电流低至150μA,适用于消费电子和网络设备等需要高输出电流的应用。输出电压范围为1.2V至3.3V,提供热关断和限流功能以确保稳定性,并通过修调技术保证输出电压精度在±2%以内。特性包括65dB的PSRR、100μV的输出噪声电压和带使能引脚控制。
芯片特点:
输入6.5V
输出0.5A
精度±2%
功耗:700mW
输出3.3V
使能

WL2803E系列是超低压差、低静态电流、高电源抑制比的CMOSLDO,压降电压典型值为130mV。采用CMOS结构,静态电流低至150μA,适用于消费电子和网络设备等需要高输出电流的应用。输出电压范围为1.2V至3.3V,提供热关断和限流功能以确保稳定性,并通过修调技术保证输出电压精度在±2%以内。特性包括65dB的PSRR、100μV的输出噪声电压和带使能引脚控制。
| 开源项目名称 | 开源项目介绍 |
|---|---|
| C2842719-LDO方案验证板(A版) | LDO验证板A版:3款SOT-23-3、3款SOT-89-3、2款SOT-23-5、2款SOT-23-6、2款SOT-223。 |
描述WL2803E系列是超低压降、低静态电流、高电源抑制比(PSRR)的CMOS低压差线性稳压器(LDO)。在500mA负载电流下,压降典型值为130mV。采用CMOS结构,WL2803E在整个输入电压范围内的静态电流典型值为150μA,非常适合需要高输出电流的消费类和网络应用
RoHSSMT扩展库
3000个/圆盘
总额¥0
近期成交62单