芯片简介
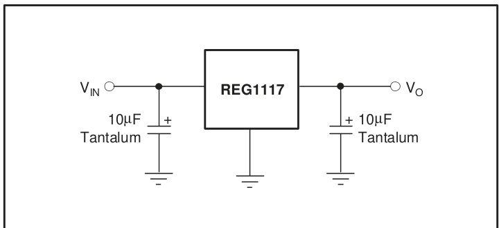
REG1117-3.3是一款易于使用的三端低压差稳压器,提供800mA最大输出电流,输出电压精度为±1%。其特性包括低噪声、内部电流限制和热过载保护,适用于高精度电源管理。内部结构包含误差放大器、基准电压源、功率晶体管及保护电路,支持宽输入电压范围和高效线性调节。
芯片特点:
输入15V
输出0.8A
精度±1%
输出3.3V

REG1117-3.3是一款易于使用的三端低压差稳压器,提供800mA最大输出电流,输出电压精度为±1%。其特性包括低噪声、内部电流限制和热过载保护,适用于高精度电源管理。内部结构包含误差放大器、基准电压源、功率晶体管及保护电路,支持宽输入电压范围和高效线性调节。
| 开源项目名称 | 开源项目介绍 |
|---|---|
| C2842719-LDO方案验证板(A版) | LDO验证板A版:3款SOT-23-3、3款SOT-89-3、2款SOT-23-5、2款SOT-23-6、2款SOT-223。 |
描述REG1117 800mA 15V 线性稳压器
80个/管
总额¥0
近期成交60单