芯片简介
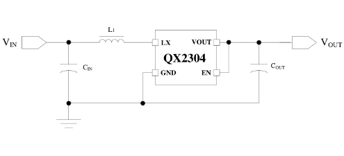
QX2304L33T是一款高效率、低功耗、低纹波的PFM同步升压DC/DC变换器,工作频率高达300KHz,仅需三个外围元件即可实现低输入电压升压。内置同步开关管使效率最高达95%,支持0.1V步进输出电压调节,具有极低静态电流(15uA)和输出精度±2.5%。内部集成PFM控制电路、振荡电路、反馈网络及过流保护模块。
芯片特点:
输入0.9V~3.6V
输出2.5V~3.6V
内置MOS
300KHz
使能


QX2304L33T是一款高效率、低功耗、低纹波的PFM同步升压DC/DC变换器,工作频率高达300KHz,仅需三个外围元件即可实现低输入电压升压。内置同步开关管使效率最高达95%,支持0.1V步进输出电压调节,具有极低静态电流(15uA)和输出精度±2.5%。内部集成PFM控制电路、振荡电路、反馈网络及过流保护模块。
描述一款高效率、低功耗、低纹波、高工作频率的PFM同步升压DC/DC变换器。仅需要三个外围元件,就可将低输入电压升压到所需的工作电压。可通过内部修调电路(步进0.1V)来获得所需的输出电压。内置的同步开关管可使效率最高可达95%,工作于PFM模式,可有效降低轻载模式下的纹波。具有极低的静态电流,特别适合于手持电子设备应用。采用SOT23、SOT23-5、SOT89-3、TO92封装。
3000个/圆盘
总额¥0
近期成交23单