芯片简介
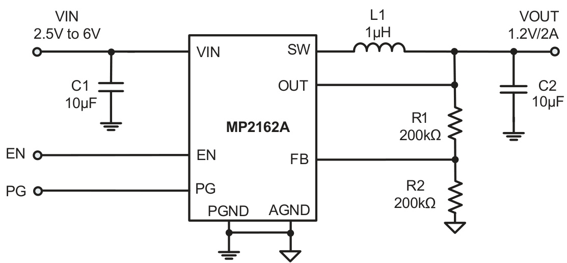
MP2162A是一款单片降压型开关转换器,内置功率MOSFET,支持2.5V至6V输入电压范围和0.6V可调输出电压,提供2A连续输出电流。采用恒定导通时间控制方案实现快速瞬态响应,集成循环过流保护、短路保护及热关断功能。芯片由控制电路、驱动电路和保护电路组成,特性包括17μA超低静态电流、1.5%反馈电压精度、100%占空比压降模式和陶瓷电容稳定性。
芯片特点:
输入2.5V~6V
输出2A
内置MOS
1.5MHz
使能
软启动
工业品
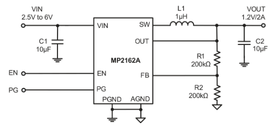
MP2162A是一款单片降压型开关转换器,内置功率MOSFET,支持2.5V至6V输入电压范围和0.6V可调输出电压,提供2A连续输出电流。采用恒定导通时间控制方案实现快速瞬态响应,集成循环过流保护、短路保护及热关断功能。芯片由控制电路、驱动电路和保护电路组成,特性包括17μA超低静态电流、1.5%反馈电压精度、100%占空比压降模式和陶瓷电容稳定性。
描述DCDC降压,电源输入7V以内,1A~3A(中电流)方案,
RoHSSMT扩展库
5000个/圆盘
总额¥0
近期成交5单
描述DCDC降压,电源输入7V以内,1A~3A(中电流)方案,
RoHSSMT扩展库
5000个/圆盘
总额¥0
近期成交1单