芯片简介
S-817B33AMC-CWWT2U是采用CMOS技术的三端正电压稳压器,支持1.1V至6.0V输出电压,精度±2.0%。具有低至1μA的负载稳定性,工作电流仅1.2μA,采用超小封装。内部集成误差放大器、基准电压源、P沟道MOSFET和保护电路,适用于便携设备、通信设备和家用电器电源。
芯片特点:
输入12V
输出50mA
精度±2.0%
输出3.3V
功耗:1.2μA

S-817B33AMC-CWWT2U是采用CMOS技术的三端正电压稳压器,支持1.1V至6.0V输出电压,精度±2.0%。具有低至1μA的负载稳定性,工作电流仅1.2μA,采用超小封装。内部集成误差放大器、基准电压源、P沟道MOSFET和保护电路,适用于便携设备、通信设备和家用电器电源。
| 开源项目名称 | 开源项目介绍 |
|---|---|
| C2842719-LDO方案验证板(A版) | LDO验证板A版:3款SOT-23-3、3款SOT-89-3、2款SOT-23-5、2款SOT-23-6、2款SOT-223。 |
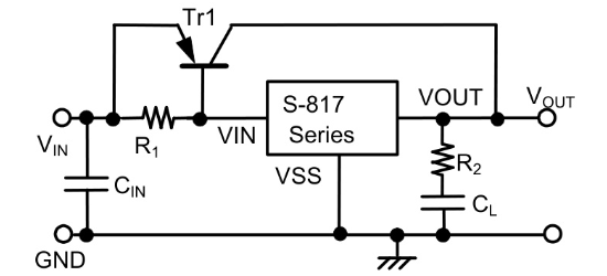
描述S-817系列是一款采用CMOS技术开发的三端正电压稳压器。该系列可使用小型陶瓷电容作为输出电容,能在低至1 μA的轻负载条件下稳定工作。与传统电压稳压器相比,它的电流消耗更低,并且采用了超小型封装(5NT - 4A:1.2 mm × 1.6 mm)
RoHSSMT扩展库
3000个/圆盘
总额¥0
近期成交5单