芯片简介
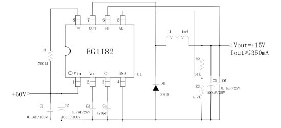
EG1182是一款48V电池供电降压型DC-DC电源管理芯片,集成基准电源、振荡器、误差放大器、过热保护、限流及短路保护功能。支持宽电压输入(20V-60V),外接电容设置工作频率,内置高压功率管,无需外接启动电阻,适用于电动车控制器等高压系统。
芯片特点:
输入20V~60V
输出0.5A
内置MOS
10KHz~100KHz

EG1182是一款48V电池供电降压型DC-DC电源管理芯片,集成基准电源、振荡器、误差放大器、过热保护、限流及短路保护功能。支持宽电压输入(20V-60V),外接电容设置工作频率,内置高压功率管,无需外接启动电阻,适用于电动车控制器等高压系统。
描述EG1182 是一款 48V 电池供电降压型 DC-DC 电源管理芯片,内部集成基准电源、振荡器、误差放大器、过热保护、限流保护、短路保护等功能,非常适合高压 60V 场合应用 EG1182 应用在电动车 48V 控制器系统中,具有高效率,高可靠性等特性,能大大降低整体控制器的温度,使整个系统能够更可靠工作
RoHSSMT扩展库
4000个/圆盘
总额¥0
近期成交5单