芯片简介
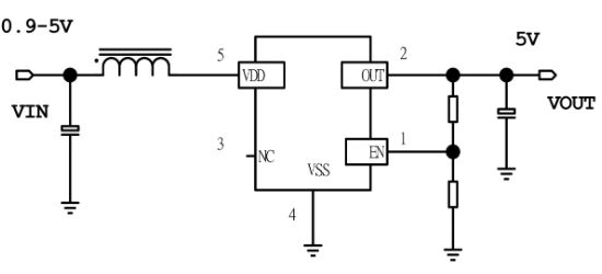
TX4204系列是低功耗、高效率、低纹波、高频PFM同步升压DC-DC变换器,仅需三个元器件即可实现升压。具有0.9-5V输入范围、2.5-5V可调输出(步进0.1V)、高达95%的转换效率、300KHz工作频率、15uA低静态电流及±2.5%输出精度,采用同步整流架构。
芯片特点:
输入0.9~5V
输出2.5~5V
内置MOS
300KHz
使能


TX4204系列是低功耗、高效率、低纹波、高频PFM同步升压DC-DC变换器,仅需三个元器件即可实现升压。具有0.9-5V输入范围、2.5-5V可调输出(步进0.1V)、高达95%的转换效率、300KHz工作频率、15uA低静态电流及±2.5%输出精度,采用同步整流架构。
描述TX4204系列产品是一种低功耗、高效率、低纹波、工作频率高的PFM同步升压DC-DC变换器。仅需三个外部元件即可将低输入电池电压升压到所需的工作电压。输入电压范围为0.9-5V,输出电压可调范围为3.3V。最高工作频率为300KHz,低静态电流为15uA,输出精度为±2.5%,适用于网络系统、医疗设备、消费类电子产品等。
RoHSSMT扩展库
3000个/圆盘
总额¥0
近期成交28单