芯片简介
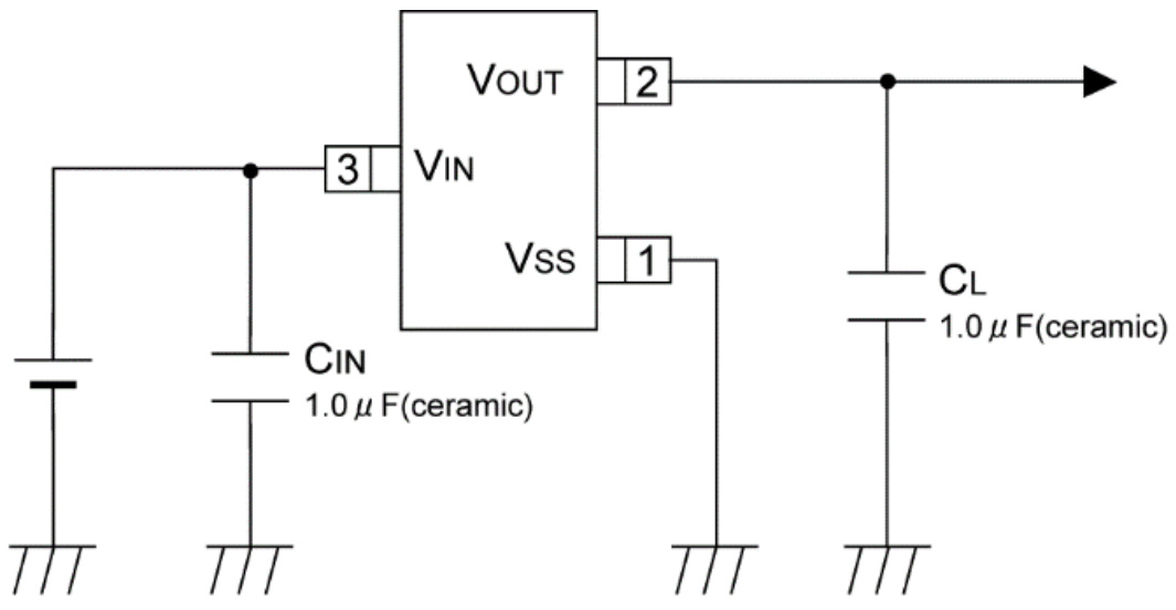
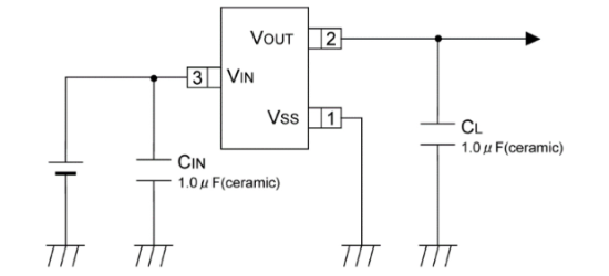
PJ6206AL33SA是一款高精度、低功耗的三端正电压稳压器,采用CMOS技术制造,静态电流为6μA,最大输入电压6V,输出电流300mA。其内部包含电流限制电路、驱动晶体管、精密参考电压和误差校正电路,兼容低ESR陶瓷电容器,具有短路保护和输出电流限制功能,输出电压精度±2%。
芯片特点:
输入6V
输出300mA
精度±2%
输出3.3V

PJ6206AL33SA是一款高精度、低功耗的三端正电压稳压器,采用CMOS技术制造,静态电流为6μA,最大输入电压6V,输出电流300mA。其内部包含电流限制电路、驱动晶体管、精密参考电压和误差校正电路,兼容低ESR陶瓷电容器,具有短路保护和输出电流限制功能,输出电压精度±2%。
| 开源项目名称 | 开源项目介绍 |
|---|---|
| C2842719-LDO方案验证板(A版) | LDO验证板A版:3款SOT-23-3、3款SOT-89-3、2款SOT-23-5、2款SOT-23-6、2款SOT-223。 |
描述是高精度、低功耗的三端正电压调节器,采用CMOS技术制造,由限流器电路、驱动晶体管、精密参考电压和误差校正电路组成,与低ESR陶瓷电容兼容。限流器的折返电路可作为短路保护和输出引脚的输出电流限制器。
SMT扩展库
3000个/圆盘
总额¥0
近期成交1单