芯片简介
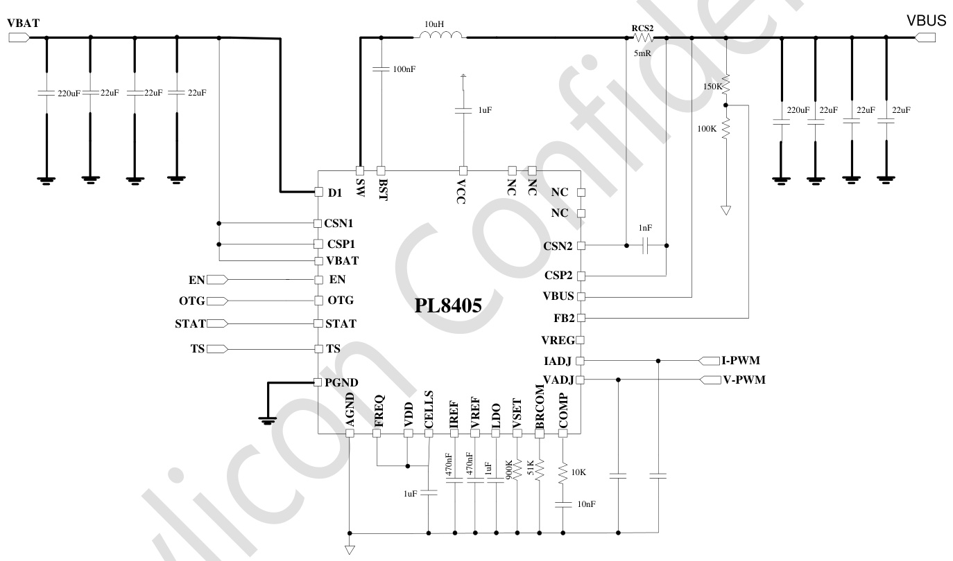
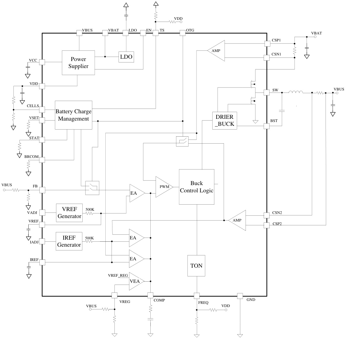
PL8405是一款双向充电器芯片,支持降压放电和升压充电模式,集成40V/9mΩ高侧和低侧MOSFET,提供5A连续输出电流。输入电压范围4.5V~36V,可编程开关频率(150kHz~1200kHz),支持1~6节电池充电管理。内置电压控制环、恒流环及热调节环,具备输入欠压锁定、输出过压保护、短路保护、热关断等综合保护功能,并提供可调软启动。
芯片特点:
车规级
输入4.5V~36V
输出5A
内置MOS
150kHz~1200kHz
使能
软启动
工业品

PL8405是一款双向充电器芯片,支持降压放电和升压充电模式,集成40V/9mΩ高侧和低侧MOSFET,提供5A连续输出电流。输入电压范围4.5V~36V,可编程开关频率(150kHz~1200kHz),支持1~6节电池充电管理。内置电压控制环、恒流环及热调节环,具备输入欠压锁定、输出过压保护、短路保护、热关断等综合保护功能,并提供可调软启动。
描述PL8405是一款高效率的双向充电器,支持降压放电和升压充电。它集成了一个40V、9mΩ的高侧和低侧MOSFET开关,能够提供5A连续负载电流,工作输入电压范围为4.5V至36V,输出电压范围为2V至32V。该芯片适用于汽车启停系统、备用电池和超级电容器充电等应用。
SMT扩展库
2500个/圆盘
总额¥0