芯片简介
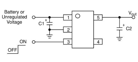
NCP511SN33T1G是一款150mA低静态电流CMOS低压差线性稳压器,适用于手持通信设备和便携式电池供电应用。特性包括40μA超低静态电流、100mV低压差、2%高精度输出电压、6V最大输入电压,支持陶瓷电容器。内部由误差放大器、基准电压源、PMOS功率晶体管及保护电路组成,具有使能控制和车规级NCV版本。
芯片特点:
输入6.0V
输出0.15A
精度±2%
输出3.3V
使能

NCP511SN33T1G是一款150mA低静态电流CMOS低压差线性稳压器,适用于手持通信设备和便携式电池供电应用。特性包括40μA超低静态电流、100mV低压差、2%高精度输出电压、6V最大输入电压,支持陶瓷电容器。内部由误差放大器、基准电压源、PMOS功率晶体管及保护电路组成,具有使能控制和车规级NCV版本。
| 规格书 | C145555_线性稳压器(LDO)_NCP511SN33T1G_规格书_onsemi(安森美)线性稳压器(LDO)规格书.PDF |
| 开源项目名称 | 开源项目介绍 |
|---|---|
| C2842719-LDO方案验证板(A版) | LDO验证板A版:3款SOT-23-3、3款SOT-89-3、2款SOT-23-5、2款SOT-23-6、2款SOT-223。 |
描述NCP511系列固定输出低压差线性稳压器专为手持通信设备和需要低静态电流的便携式电池供电应用而设计。NCP511系列的特点是具有40 μA的超低静态电流。每个器件包含一个电压基准单元、一个误差放大器、一个PMOS功率晶体管、用于设置输出电压的电阻、电流限制和温度限制保护电路
RoHSSMT扩展库
3000个/圆盘
总额¥0
近期成交8单