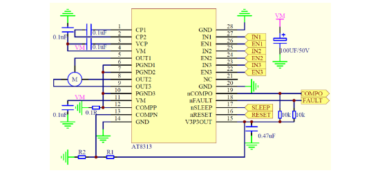
芯片简介
AT8313SQ是一款支持三相直流无刷电机驱动的芯片,提供三路独立控制的半H桥,每路可输出2.5A峰值电流。芯片内置三相逆变器、桥控制逻辑、通用比较器及保护电路,支持宽电压供电,具备过流保护、短路保护、欠压锁定和过温保护功能。通过ENx和INx引脚实现梯形波或正弦波控制,支持PWM调制和方向控制,适用于工业自动化及消费类电子产品。
芯片特点:
最大输入38V
输出2.5A
工作电压8V~38V
驱动电流:2.5A
方波/正弦波
方向控制
工业品
AT8313SQ是一款支持三相直流无刷电机驱动的芯片,提供三路独立控制的半H桥,每路可输出2.5A峰值电流。芯片内置三相逆变器、桥控制逻辑、通用比较器及保护电路,支持宽电压供电,具备过流保护、短路保护、欠压锁定和过温保护功能。通过ENx和INx引脚实现梯形波或正弦波控制,支持PWM调制和方向控制,适用于工业自动化及消费类电子产品。