芯片简介
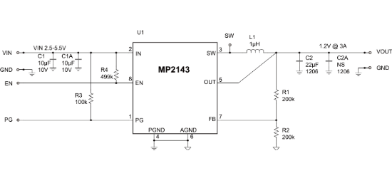
MP2143是一款单片降压开关转换器,内置功率MOSFET,支持2.5V至5.5V输入电压范围和0.6V至VIN-0.5V的输出电压调节,可提供高达3A连续输出电流。采用恒定时控制实现快速瞬态响应,集成逐周期过流保护、热关断及自动放电功能。特性包括低静态电流(40μA)、默认1.2MHz开关频率、电源就绪(PG)指示和软启动/停止机制。内部功能模块包含反馈网络、控制电路、驱动电路及保护机制。
芯片特点:
输入2.5V~5.5V
输出3A
内置MOS
1.2MHz
使能
软启动

MP2143是一款单片降压开关转换器,内置功率MOSFET,支持2.5V至5.5V输入电压范围和0.6V至VIN-0.5V的输出电压调节,可提供高达3A连续输出电流。采用恒定时控制实现快速瞬态响应,集成逐周期过流保护、热关断及自动放电功能。特性包括低静态电流(40μA)、默认1.2MHz开关频率、电源就绪(PG)指示和软启动/停止机制。内部功能模块包含反馈网络、控制电路、驱动电路及保护机制。
描述DCDC降压,电源输入7V以内,1A~3A(中电流)方案,MP2143是一款单片、降压、开关模式转换器,内部集成功率MOSFET。它可以实现从2.5V到5.5V的输入电压范围内连续3A的输出电流,具有优秀的负载和线路调节性能。输出电压可低至0.6V,采用恒定导通时间控制,提供快速瞬态响应和环路稳定。故障保护包括逐周期电流限制和热关断。
RoHSSMT扩展库
3000个/圆盘
总额¥0
近期成交100单+