芯片简介
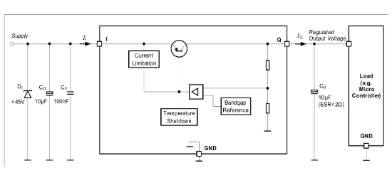
TLE42644GHTSA3是一款车规级低静态电流LDO稳压器,专为汽车电子设计,支持输入电压范围5.5V至40V,输出固定5V电压,最大输出电流100mA。其特性包括极低静态电流、±2%/±3%输出电压精度、反向极性保护、输出电流限制及过温保护。该器件适用于需永久连接汽车电池的低待机电流场景,可直接替换TLE4264-2,并符合AEC-Q100标准。
芯片特点:
车规级
输入45V
输出100mA
精度±2%/±3%
功耗:40μA
输出5V
工业品
TLE42644GHTSA3是一款车规级低静态电流LDO稳压器,专为汽车电子设计,支持输入电压范围5.5V至40V,输出固定5V电压,最大输出电流100mA。其特性包括极低静态电流、±2%/±3%输出电压精度、反向极性保护、输出电流限制及过温保护。该器件适用于需永久连接汽车电池的低待机电流场景,可直接替换TLE4264-2,并符合AEC-Q100标准。
| 开源项目名称 | 开源项目介绍 |
|---|---|
| C2842719-LDO方案验证板(A版) | LDO验证板A版:3款SOT-23-3、3款SOT-89-3、2款SOT-23-5、2款SOT-23-6、2款SOT-223。 |
描述一款单片集成的低压差固定电压稳压器,适用于高达100 mA的负载电流。其功能与TLE4264兼容,但典型静态电流更低,典型值仅为 40 µA。专为需要极低待机电流的应用而设计,例如与汽车电池永久连接的应用。
RoHSSMT扩展库
1000个/圆盘
总额¥0
近期成交7单