芯片简介
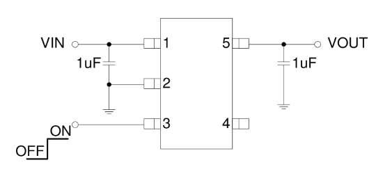
SK6017系列是低漏失线性稳压器,优化用于电池供电系统,提供低静态电流以延长便携设备电池寿命。支持使用低成本陶瓷电容器确保输出稳定性,适用于手机、笔记本电脑等便携设备。芯片由误差放大器、基准电压源、功率晶体管和保护电路构成,具有300mA输出电流、±2%输出电压精度、1μA典型静态电流和带使能控制功能。
芯片特点:
输入6.5V
输出300mA
精度±2%
功耗:1μA
输出1.8V
使能

SK6017系列是低漏失线性稳压器,优化用于电池供电系统,提供低静态电流以延长便携设备电池寿命。支持使用低成本陶瓷电容器确保输出稳定性,适用于手机、笔记本电脑等便携设备。芯片由误差放大器、基准电压源、功率晶体管和保护电路构成,具有300mA输出电流、±2%输出电压精度、1μA典型静态电流和带使能控制功能。
| 开源项目名称 | 开源项目介绍 |
|---|---|
| C2842719-LDO方案验证板(A版) | LDO验证板A版:3款SOT-23-3、3款SOT-89-3、2款SOT-23-5、2款SOT-23-6、2款SOT-223。 |
描述SK6017系列是低压差线性稳压器,经过优化可为电池供电系统提供高性能解决方案,以实现低静态电流。该器件在手机、笔记本电脑和其他便携式设备中提供了具有成本效益的新性能水平。SK6017系列旨在使用低成本陶瓷电容器,以确保输出电流的稳定性,并提高效率,从而延长这些便携式设备的电池使用寿命
SMT扩展库
3000个/圆盘
总额¥0
近期成交1单