芯片简介
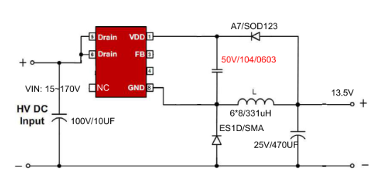
ICW6215是一款高性能低成本离线式PWM控制功率开关,支持降压和升降压拓扑,适用于小功率应用。集成180VMOSFET和高压启动电路,具有多模式控制、超低待机功耗(<50mW)和软启动功能。内置多种保护机制,包括过压、过载、过热保护和自动重启。默认输出电压13.5V,外围电路简单,采用逐周期电流限制和前沿消隐技术消除可闻噪音。
芯片特点:
输入11V~180V
输出0.6A~0.65A
内置MOS
软启动

ICW6215是一款高性能低成本离线式PWM控制功率开关,支持降压和升降压拓扑,适用于小功率应用。集成180VMOSFET和高压启动电路,具有多模式控制、超低待机功耗(<50mW)和软启动功能。内置多种保护机制,包括过压、过载、过热保护和自动重启。默认输出电压13.5V,外围电路简单,采用逐周期电流限制和前沿消隐技术消除可闻噪音。
描述ICW6215是一款高性能低成本PWM控制功率开关,适用于离线式小功率降压型应用场合,外围电路简单、器件个数少。同时产品启动模块内置高耐压MOSFET可提高系统浪涌耐受能力。芯片采用了多模式PWM控制技术,有效简化了外围电路设计,提升线性调整率和负载调整率并消除系统工作中的可闻噪音。集成有完备的带自恢复功能的保护功能。
4000个/圆盘
总额¥0
近期成交21单