芯片简介
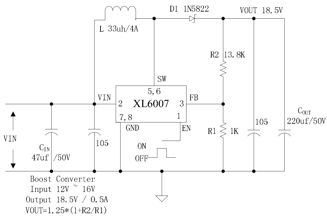
XL6007E1是一款宽输入范围(3.6V-24V)、电流模式的DC/DC转换器,支持升压、降压-升压、反压及SEPIC拓扑。内置N沟道功率MOSFET和固定频率振荡器,提供高达90%的效率,具备软启动、热关断及电流限制功能。其特性包括400KHz固定频率、EN使能控制、1.25V反馈阈值电压,并专为汽车和工业应用设计。
芯片特点:
车规级
输入3.6V~24V
输出2A
内置MOS
400KHz
使能
软启动

XL6007E1是一款宽输入范围(3.6V-24V)、电流模式的DC/DC转换器,支持升压、降压-升压、反压及SEPIC拓扑。内置N沟道功率MOSFET和固定频率振荡器,提供高达90%的效率,具备软启动、热关断及电流限制功能。其特性包括400KHz固定频率、EN使能控制、1.25V反馈阈值电压,并专为汽车和工业应用设计。
描述DCDC升降压,电源输入7V~30V,1A~3A(中电流)方案,
SMT扩展库
4000个/圆盘
总额¥0
近期成交100单+