芯片简介
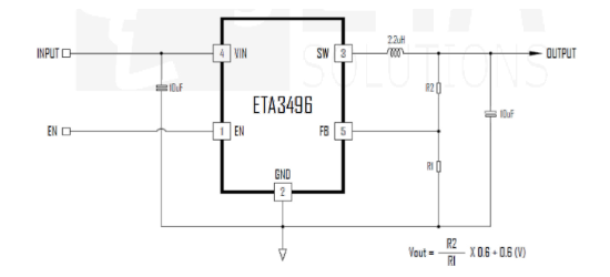
ETA3496S2F是一款高效率DC-DC降压转换器,最大输出电流1.2A,输入电压范围2.5V至7.2V,输出电压可调范围0.6V至VIN。采用1.2MHz固定开关频率,集成同步整流器提升效率,内置软启动电路减少浪涌电流,具备短路保护和热过载保护功能。
芯片特点:
输入2.5V~7.2V
输出1.2A
内置MOS
1.2MHz
使能
软启动

ETA3496S2F是一款高效率DC-DC降压转换器,最大输出电流1.2A,输入电压范围2.5V至7.2V,输出电压可调范围0.6V至VIN。采用1.2MHz固定开关频率,集成同步整流器提升效率,内置软启动电路减少浪涌电流,具备短路保护和热过载保护功能。
描述ETA3496是一款高效率的DC-DC降压转换器,能够提供高达1.2A的输出电流。其输入电压范围为2.5V至7.2V,输出电压范围为0.6V至5V,固定频率为1.2MHz。该器件采用同步整流技术,具有内置补偿电路和低噪声输出特性,适用于RF应用。
RoHSSMT扩展库
3000个/圆盘
总额¥0
近期成交38单