芯片简介
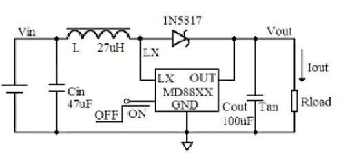
MD88XX系列为PFM控制型DC-DC升压稳压芯片,具有高效率、低纹波特性,需外接电感、电容及肖特基二极管。内部集成输出电压反馈补偿网络、启动电路、振荡电路、PFM控制器、参考电压源、过流保护及功率管。特性包括0.75V低启动电压、300mA带载能力(Vin=3V时)、4μA静态电流及85%转换效率。
芯片特点:
输入0.75V~10V
输出3.6V
内置MOS
350kHz
使能

MD88XX系列为PFM控制型DC-DC升压稳压芯片,具有高效率、低纹波特性,需外接电感、电容及肖特基二极管。内部集成输出电压反馈补偿网络、启动电路、振荡电路、PFM控制器、参考电压源、过流保护及功率管。特性包括0.75V低启动电压、300mA带载能力(Vin=3V时)、4μA静态电流及85%转换效率。
描述MD88XX 系列产品是一种高效率、低纹波的PFM 控制型DC-DC 升压稳压芯片。该系列产品具有极低的启动电压和高输出电压精度。应用时仅需电感、电容、肖特基二极管三个外部元器件,就可完成将低输入的电池电压升压至所需的工作电压。
SMT扩展库
1000个/圆盘
总额¥0
近期成交1单