芯片简介
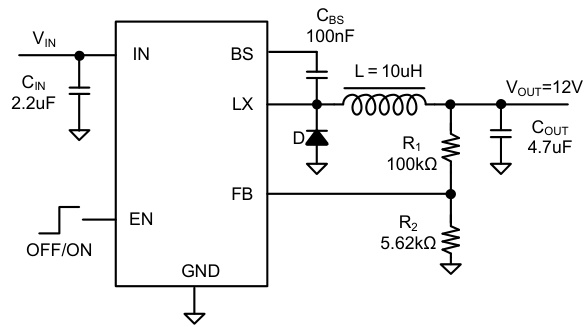
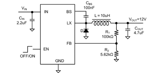
SY8290是一款高效2MHz自适应恒定关断时间控制的异步降压DC-DC稳压器,支持5V~40V宽输入电压范围,可提供200mA输出电流。其特性包括2MHz开关频率、内部软启动限制浪涌电流、集成PWM控制和主开关管,以及简化的外部电路设计(需配置输入电容、输出电容、电感和反馈电阻)。
芯片特点:
输入5V~40V
输出200mA
内置MOS
2MHz
使能
软启动

SY8290是一款高效2MHz自适应恒定关断时间控制的异步降压DC-DC稳压器,支持5V~40V宽输入电压范围,可提供200mA输出电流。其特性包括2MHz开关频率、内部软启动限制浪涌电流、集成PWM控制和主开关管,以及简化的外部电路设计(需配置输入电容、输出电容、电感和反馈电阻)。
| 开源项目名称 | 开源项目介绍 |
|---|---|
| DC-DC降压芯片方案验证板-A版 | 该方案验证版,主要用于测试市面上常见的SOT-23封装的降压型DC/DC芯片,板子上目前集成了三种引脚排序。 |
描述SY8290是一款高效率2MHz的异步降压调节器,支持5-40V的输入电压范围,最大输出电流为200mA。该芯片采用自适应恒定关断时间控制,具有低输出电压纹波和小型外部电感和电容。封装为SOT23-6。
SMT扩展库
3000个/圆盘
总额¥0
近期成交27单