芯片简介
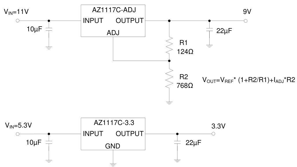
AZ1117C是一款低压差三端稳压器,针对瞬态响应和最小输入电压关键场景优化,集成电流限制和热关断保护。内置修整带隙基准源,输出电压精度±1%。特性包括低噪声输出、兼容低ESR陶瓷电容、热关断保护及电流限制功能。内部结构由误差放大器、基准电压源、功率晶体管和保护电路组成。

AZ1117C是一款低压差三端稳压器,针对瞬态响应和最小输入电压关键场景优化,集成电流限制和热关断保护。内置修整带隙基准源,输出电压精度±1%。特性包括低噪声输出、兼容低ESR陶瓷电容、热关断保护及电流限制功能。内部结构由误差放大器、基准电压源、功率晶体管和保护电路组成。
| 开源项目名称 | 开源项目介绍 |
|---|---|
| C2842719-LDO方案验证板(A版) | LDO验证板A版:3款SOT-23-3、3款SOT-89-3、2款SOT-23-5、2款SOT-23-6、2款SOT-223。 |
描述是一款低压差三端稳压器,针对瞬态响应和最小输入电压至关重要的低电压应用进行了优化。该设备具备限流和热关断功能。其电路包含一个微调带隙基准,以确保输出电压精度在 ±1% 以内。片上热关断功能可防止大电流和环境温度共同作用导致结温过高。有 1.2V、1.5V、1.8V、2.5V、3.3V 和 5.0V 固定输出电压版本以及一个可调输出电压版本。固定版本集成了调节电阻,可调版本可通过两个外部电阻设置输出电压。提供行业标准的 TO252-2 系列(包括 TO252-2 (3)、TO252-2 (4) 和 TO252-2 (5))、SOT89 和 SOT223 封装。
RoHSSMT扩展库
4000个/圆盘
总额¥0
近期成交24单
描述是一款低压差三端稳压器,针对瞬态响应和最小输入电压至关重要的低电压应用进行了优化。该设备具备限流和热关断功能。其电路包含一个微调带隙基准,以确保输出电压精度在 ±1% 以内。片上热关断功能可防止大电流和环境温度共同作用导致结温过高。有 1.2V、1.5V、1.8V、2.5V、3.3V 和 5.0V 固定输出电压版本以及一个可调输出电压版本。固定版本集成了调节电阻,可调版本可通过两个外部电阻设置输出电压。提供行业标准的 TO252-2 系列(包括 TO252-2 (3)、TO252-2 (4) 和 TO252-2 (5))、SOT89 和 SOT223 封装。
RoHSSMT扩展库
4000个/圆盘
总额¥0
近期成交100单+