芯片简介
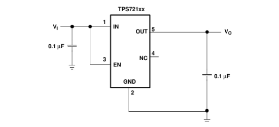
TPS72101DBVT是支持宽输入电压的低压差线性稳压器,采用PMOS通路元件和内部补偿方案,仅需0.1μF陶瓷输出电容即可稳定工作。集成误差放大器、基准电压源、过流保护和热关断功能,具有85μA典型静态电流及1μA关机模式电流,适用于便携设备、电池供电系统和存储设备供电。
芯片特点:
输入7V
输出150mA
精度±3%
输出1.225V~2.5V
使能

TPS72101DBVT是支持宽输入电压的低压差线性稳压器,采用PMOS通路元件和内部补偿方案,仅需0.1μF陶瓷输出电容即可稳定工作。集成误差放大器、基准电压源、过流保护和热关断功能,具有85μA典型静态电流及1μA关机模式电流,适用于便携设备、电池供电系统和存储设备供电。
| 开源项目名称 | 开源项目介绍 |
|---|---|
| C2842719-LDO方案验证板(A版) | LDO验证板A版:3款SOT-23-3、3款SOT-89-3、2款SOT-23-5、2款SOT-23-6、2款SOT-223。 |
描述TPS721 低输入电压、150mA 低压降线性稳压器
RoHSSMT扩展库
250个/圆盘
总额¥0