芯片简介
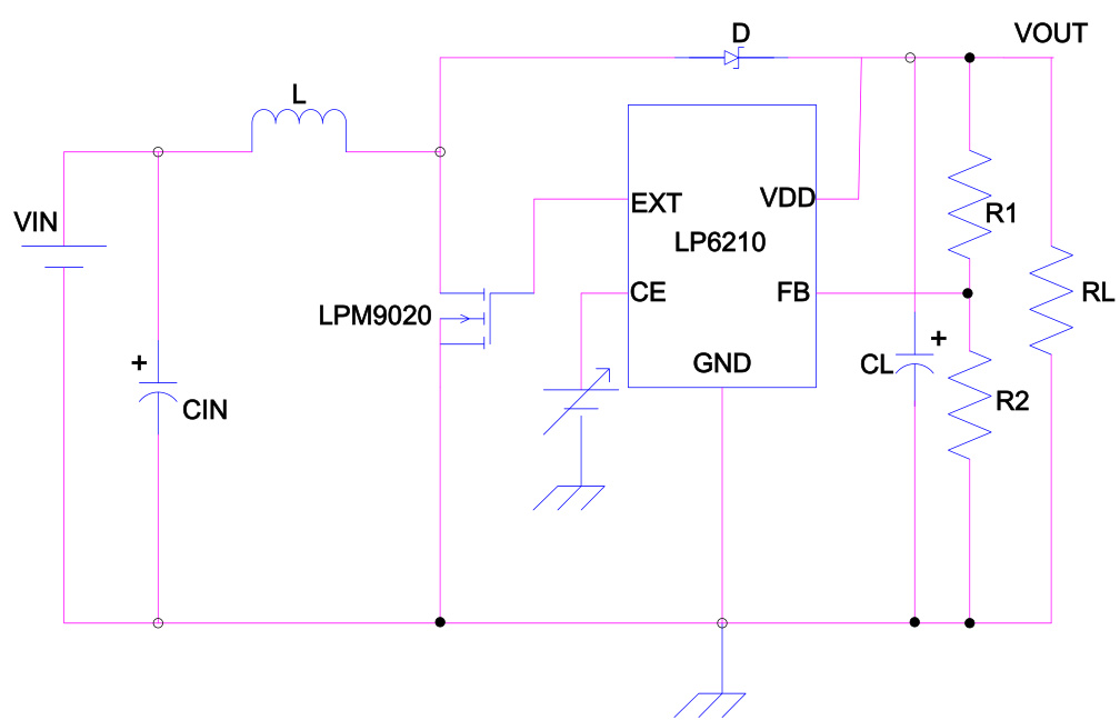
LP6210B6F是一款CMOS升压DC/DC控制器,采用PWM/PFM切换控制电路,支持低电压启动(0.9V启动)。内置基准电压源、振荡电路、误差放大器及相位补偿电路,输出电压范围1.5V~24V,精度±2%。特性包括500KHz振荡频率、2.2ms软启动功能、使能控制及外接N沟道功率MOS管。需外接电感、二极管、电容器等元件,适用于高效率、高输出电流场景。
芯片特点:
输入2.2V~5.5V
输出2.5V~24V
500KHz
使能
软启动

LP6210B6F是一款CMOS升压DC/DC控制器,采用PWM/PFM切换控制电路,支持低电压启动(0.9V启动)。内置基准电压源、振荡电路、误差放大器及相位补偿电路,输出电压范围1.5V~24V,精度±2%。特性包括500KHz振荡频率、2.2ms软启动功能、使能控制及外接N沟道功率MOS管。需外接电感、二极管、电容器等元件,适用于高效率、高输出电流场景。
描述LP6210是一种由基准电压源、振荡电路、误差放大器、相位补偿电路、PWM/PFM切换控制电路等构成的CMOS升压DC/DC控制器。通过使用外接低通态电阻N沟道功率MOS,即可适用于需要高效率、高输出电流的应用电路上。通过PWM/PFM切换控制电路,在负载较轻时,将工作状态切换为占空系数为13%的PFM控制电路,可以防止因IC的工作电流引起的效率降低。
SMT扩展库
3000个/圆盘
总额¥0
近期成交5单