芯片简介
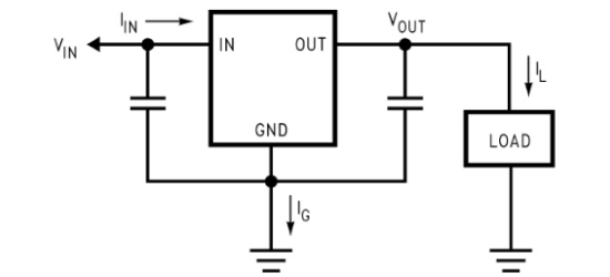
LM1117MPX-2.5/NOPB是一款低噪声线性稳压器,具有1.2V压差电压,提供固定2.5V输出电压。内部包含误差放大器、基准电压源、功率晶体管和保护电路,支持宽输入电压范围并包含电流限制和热保护功能。适用于存储设备供电和高效率线性稳压场景,输出电压精度为±1%,采用带隙基准源保证稳定性。
芯片特点:
输入20V
输出0.8A
精度±1%
输出2.5V

LM1117MPX-2.5/NOPB是一款低噪声线性稳压器,具有1.2V压差电压,提供固定2.5V输出电压。内部包含误差放大器、基准电压源、功率晶体管和保护电路,支持宽输入电压范围并包含电流限制和热保护功能。适用于存储设备供电和高效率线性稳压场景,输出电压精度为±1%,采用带隙基准源保证稳定性。
| 开源项目名称 | 开源项目介绍 |
|---|---|
| C2842719-LDO方案验证板(A版) | LDO验证板A版:3款SOT-23-3、3款SOT-89-3、2款SOT-23-5、2款SOT-23-6、2款SOT-223。 |
描述LM1117 800mA 15V 线性稳压器
RoHSSMT扩展库
1000个/圆盘
总额¥0
近期成交100单+