芯片简介
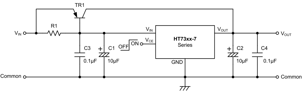
HT73xx-7系列是采用CMOS技术的低功耗高压LDO稳压器,具有低压差和低静态电流的优点,支持高达30V的输入电压,并提供2.1V至5.0V的固定输出电压。该芯片具有±2%的输出电压精度,内置过流保护、过温保护功能,并带有使能控制引脚,可在禁用时通过内部下拉电阻快速放电。
芯片特点:
输入30V
输出250mA
精度±2%
功耗:0.80W
输出2.5V
使能

HT73xx-7系列是采用CMOS技术的低功耗高压LDO稳压器,具有低压差和低静态电流的优点,支持高达30V的输入电压,并提供2.1V至5.0V的固定输出电压。该芯片具有±2%的输出电压精度,内置过流保护、过温保护功能,并带有使能控制引脚,可在禁用时通过内部下拉电阻快速放电。
| 开源项目名称 | 开源项目介绍 |
|---|---|
| C2842719-LDO方案验证板(A版) | LDO验证板A版:3款SOT-23-3、3款SOT-89-3、2款SOT-23-5、2款SOT-23-6、2款SOT-223。 |