芯片简介
LT1117IST-3.3#PBF是一款800mA低压差线性稳压器,支持1V至15V输入电压范围,适用于高效率线性稳压和存储设备供电。其内部由误差放大器、基准电压源、功率晶体管和保护电路组成,具有±1%输出电压精度、低噪声特性,并专为SCSI总线主动终端设计。芯片通过内部修调确保电压稳定性,并在过载时限制电流以保护电路。
芯片特点:
输入15V
输出800mA
精度±1%
输出3.3V

LT1117IST-3.3#PBF是一款800mA低压差线性稳压器,支持1V至15V输入电压范围,适用于高效率线性稳压和存储设备供电。其内部由误差放大器、基准电压源、功率晶体管和保护电路组成,具有±1%输出电压精度、低噪声特性,并专为SCSI总线主动终端设计。芯片通过内部修调确保电压稳定性,并在过载时限制电流以保护电路。
| 开源项目名称 | 开源项目介绍 |
|---|---|
| C2842719-LDO方案验证板(A版) | LDO验证板A版:3款SOT-23-3、3款SOT-89-3、2款SOT-23-5、2款SOT-23-6、2款SOT-223。 |
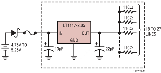
描述是一款正低压差稳压器,可提供高达800mA的输出电流。有可调版本和2.85V、3.3V和5V的固定输出电压版本。2.85V版本专为SCSI总线的有源终端设计。所有内部电路设计为在1V的输入输出压差下工作。在800mA时,压差电压保证最大为1.2V,在较低负载电流时会降低。片上微调可将参考/输出电压调整到±1%以内。还对电流限制进行了微调,以减少过载条件下稳压器和电源电路的压力。低剖面表面贴装SOT-223封装适用于空间有限的应用。为保证稳定性,需要至少10μF的输出电容。与PNP型稳压器不同,其静态电流流入负载,提高了效率。
RoHSSMT扩展库
78个/管
总额¥0
近期成交12单