芯片简介
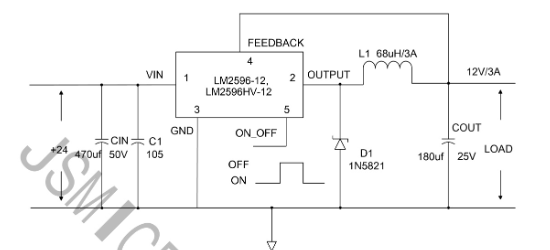
LM2596S/LM2596HV是一款150KHz固定频率的PWMDCDC降压稳压芯片,支持3A输出电流,具有高效率、低纹波、高线性调整率和负载调整率。内置固定频率振荡器、频率补偿模块、过温保护、过流保护及次级过流保护功能,支持0%~100%占空比线性调节。输入电压范围覆盖4.5V~60V(HV型号),输出电压提供3.3V、5V、12V固定版本及1.23V~57V可调版本。
芯片特点:
输入4.5V~40V,4.5V~60V
输出3A
内置MOS
150KHz
使能

LM2596S/LM2596HV是一款150KHz固定频率的PWMDCDC降压稳压芯片,支持3A输出电流,具有高效率、低纹波、高线性调整率和负载调整率。内置固定频率振荡器、频率补偿模块、过温保护、过流保护及次级过流保护功能,支持0%~100%占空比线性调节。输入电压范围覆盖4.5V~60V(HV型号),输出电压提供3.3V、5V、12V固定版本及1.23V~57V可调版本。
描述LM2596S-5.0 P+ 是一款3A输出电流、150KHz固定频率的PWM DC-DC降压稳压器,具有高效率、低纹波、高线性调整率和负载调整率等特点。该芯片内置固定频率振荡器和频率补偿模块,使用简单,仅需少量外部元器件。内置过温保护、过流保护等功能。
SMT扩展库
1000个/圆盘
总额¥0
近期成交70单
描述LM2596S-12-JSM是一款3A输出电流、150KHz固定频率的PWM DC-DC稳压电源转换器。具有高效率、低纹波、高线性调整率和负载调整率等特点。内置固定频率振荡器和频率补偿模块,使用简单,仅需少量外部元器件。内置过温保护、过流保护等功能。
1000个/圆盘
总额¥0
近期成交9单
描述LM2596SADJ P+ 是一款150KHz固定频率的PWM DC-DC稳压电源转换器,具有3A输出电流驱动能力,高效率、低纹波、高线性调整率和负载调整率等特点。该芯片采用PWM调制模式,能够调节占空比线性范围0~100%。内置固定频率振荡器和频率补偿模块,使用十分简单,仅需要极少量的外部元器件。此外,该芯片还内置带迟滞功能的使能、过温保护、过流保护和刺激过流保护等功能。
SMT扩展库
1000个/圆盘
总额¥0
近期成交57单