芯片简介
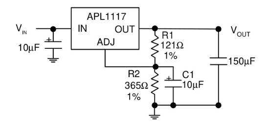
APL1117VC-TRG是一款低噪声、低漏失电压的三端可调稳压器,具有1A输出电流能力,优化了低电压应用中的漏失电压和瞬态响应。输出电压精度为±2%,支持1.25V至10.7V的可调范围,内部包含误差放大器、基准电压源、功率晶体管和保护电路,提供过温保护和短路电流限制功能。
芯片特点:
输入15V
输出1A
精度±2%
输出1.25V~10.7V

APL1117VC-TRG是一款低噪声、低漏失电压的三端可调稳压器,具有1A输出电流能力,优化了低电压应用中的漏失电压和瞬态响应。输出电压精度为±2%,支持1.25V至10.7V的可调范围,内部包含误差放大器、基准电压源、功率晶体管和保护电路,提供过温保护和短路电流限制功能。
| 开源项目名称 | 开源项目介绍 |
|---|---|
| C2842719-LDO方案验证板(A版) | LDO验证板A版:3款SOT-23-3、3款SOT-89-3、2款SOT-23-5、2款SOT-23-6、2款SOT-223。 |
2500个/圆盘
总额¥0