芯片简介
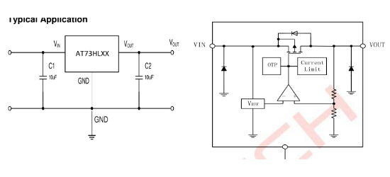
AT73HL50SC是一款高精度、高输入电压、低静态电流的线性稳压器,支持4.75V至40V输入电压范围,提供250mA输出电流。该芯片采用CMOS工艺,具有过流和过热保护功能,适用于智能电表、车载娱乐和电动自行车等场景。其内部集成误差放大器、基准电压源、功率晶体管和保护电路,具备60dB的电源抑制比和±2%的输出电压精度。
芯片特点:
输入40V
输出250mA
精度±2%
功耗:0.7W
输出5.0V

AT73HL50SC是一款高精度、高输入电压、低静态电流的线性稳压器,支持4.75V至40V输入电压范围,提供250mA输出电流。该芯片采用CMOS工艺,具有过流和过热保护功能,适用于智能电表、车载娱乐和电动自行车等场景。其内部集成误差放大器、基准电压源、功率晶体管和保护电路,具备60dB的电源抑制比和±2%的输出电压精度。
| 开源项目名称 | 开源项目介绍 |
|---|---|
| C2842719-LDO方案验证板(A版) | LDO验证板A版:3款SOT-23-3、3款SOT-89-3、2款SOT-23-5、2款SOT-23-6、2款SOT-223。 |
描述是高精度、高输入电压、低静态电流、高速、低压差线性稳压器,具有高纹波抑制能力。输入电压高达40V,在 VOUT = 5V 和 VIN = 15V 时负载电流高达250mA。采用CMOS工艺制造。提供过流限制和过温保护,以确保设备在良好条件下工作。有标准的SOT89-3L、SOT23-5L和SOT23-3L封装。标准产品无铅、无卤。
RoHSSMT扩展库
3000个/圆盘
总额¥0
近期成交4单