芯片简介
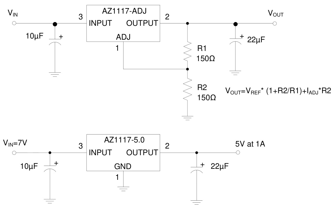
AZ1117H-5.0TRE1是一款低压差三端稳压器,在1A输出电流下压降为1.15V,提供电流限制和热保护。可调版本支持1.25V至12V输出,固定输出版本精度达±1%。内部包含误差放大器、带隙基准源、功率晶体管及保护电路,具有0.003%RMS低噪声特性,符合RoHS标准。
芯片特点:
输入20V
输出1A
精度±1%
输出5.0V

AZ1117H-5.0TRE1是一款低压差三端稳压器,在1A输出电流下压降为1.15V,提供电流限制和热保护。可调版本支持1.25V至12V输出,固定输出版本精度达±1%。内部包含误差放大器、带隙基准源、功率晶体管及保护电路,具有0.003%RMS低噪声特性,符合RoHS标准。
| 开源项目名称 | 开源项目介绍 |
|---|---|
| C2842719-LDO方案验证板(A版) | LDO验证板A版:3款SOT-23-3、3款SOT-89-3、2款SOT-23-5、2款SOT-23-6、2款SOT-223。 |
描述-40~125℃ 5V 1A(压差1.15V即可达到)
RoHSSMT扩展库
4000个/圆盘
总额¥0
近期成交61单
描述特性:低压降:1A输出电流时为1.15V。 修整电流限制。 片上热关断。应用:PC主板
RoHSSMT扩展库
4000个/圆盘
总额¥0
近期成交7单
描述AZ1117是一款低压差三端稳压器。AZ1117针对瞬态响应和最小输入电压至关重要的低电压应用进行了优化。它具备限流和热关断功能
RoHSSMT扩展库
4000个/圆盘
总额¥0
近期成交61单