芯片简介
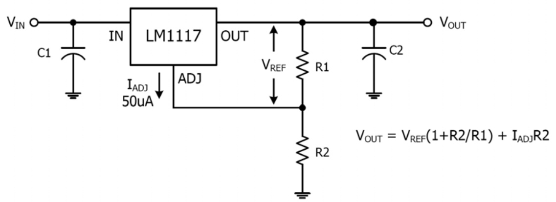
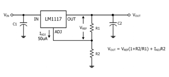
LM1117GS-3.3是一款低功耗正电压稳压器,设计用于提供1A输出电流,适用于电池供电应用、SCSI总线主动终端和便携式计算机。具有极低的静态电流和低至1.2V的压差电压,支持可调或固定输出电压。需要外接10μF以上输出电容以确保稳定性,提供内部电流和终端保护、热限制保护,典型线性和负载调整率分别为0.1%和0.2%。
芯片特点:
输入20V
输出1A
精度±1%
输出3.3V

LM1117GS-3.3是一款低功耗正电压稳压器,设计用于提供1A输出电流,适用于电池供电应用、SCSI总线主动终端和便携式计算机。具有极低的静态电流和低至1.2V的压差电压,支持可调或固定输出电压。需要外接10μF以上输出电容以确保稳定性,提供内部电流和终端保护、热限制保护,典型线性和负载调整率分别为0.1%和0.2%。
| 开源项目名称 | 开源项目介绍 |
|---|---|
| C2842719-LDO方案验证板(A版) | LDO验证板A版:3款SOT-23-3、3款SOT-89-3、2款SOT-23-5、2款SOT-23-6、2款SOT-223。 |
描述是一款低功耗正电压稳压器,设计用于满足1A输出电流,并符合SCSI-II规范,固定输出电压为2.85V。该产品非常适合用于电池供电应用、SCSI总线的有源终端和便携式计算机。具有极低的静态电流和满载时1V的极低压降电压,且压降电压随输出电流降低而降低。有可调或固定的1.2V、1.5V、1.8V、2.5V、2.85V、3.3V和5.0V输出电压可选。采用3引脚表面贴装封装SOT-223、TO-252和SOT-89。为保证输出稳定性,需要10μF或更大的输出电容。
RoHSSMT扩展库
2500个/圆盘
总额¥0
近期成交93单