芯片简介
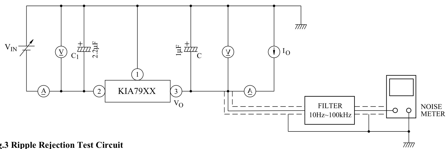
KIA7918PI-U/PF是一款三端负电压稳压器,输出电流超过1.0A,具有内部热过载保护和短路电流限制功能。适用于CMOS、TTL及其他数字集成电路的电源供应,支持宽输入电压范围。芯片由误差放大器、基准电压源、功率晶体管及保护电路构成,输出电压精度±4%,具备低噪声特性。
芯片特点:
输入40V
输出1A
精度±4%
功耗:2.0W
输出-18V
工业品
KIA7918PI-U/PF是一款三端负电压稳压器,输出电流超过1.0A,具有内部热过载保护和短路电流限制功能。适用于CMOS、TTL及其他数字集成电路的电源供应,支持宽输入电压范围。芯片由误差放大器、基准电压源、功率晶体管及保护电路构成,输出电压精度±4%,具备低噪声特性。
总额¥0