芯片简介
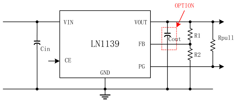
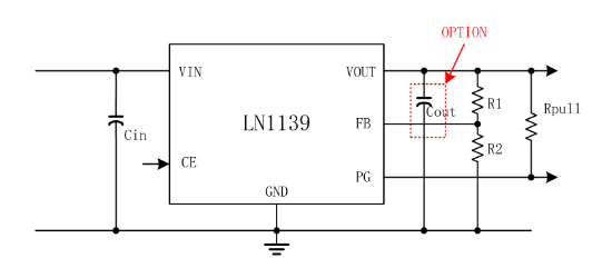
LN1139BAMR-G是一款高精度、低噪声的正电压LDO稳压器,采用CMOS工艺,具有高纹波抑制和低压差特性。芯片内置标准电压源、误差校正电路、限流器、相位补偿电路和驱动晶体管,支持外部反馈实现可编程输出。集成过流保护、短路保护和过温保护,并提供POWERGOOD指示功能。特性包括±1.5%输出电压精度、300mV压降、50dB纹波抑制和低静态电流。
芯片特点:
输入8V
输出0.3A
精度±1.5%
功耗:30μA
输出可编程
使能

LN1139BAMR-G是一款高精度、低噪声的正电压LDO稳压器,采用CMOS工艺,具有高纹波抑制和低压差特性。芯片内置标准电压源、误差校正电路、限流器、相位补偿电路和驱动晶体管,支持外部反馈实现可编程输出。集成过流保护、短路保护和过温保护,并提供POWERGOOD指示功能。特性包括±1.5%输出电压精度、300mV压降、50dB纹波抑制和低静态电流。
| 开源项目名称 | 开源项目介绍 |
|---|---|
| C2842719-LDO方案验证板(A版) | LDO验证板A版:3款SOT-23-3、3款SOT-89-3、2款SOT-23-5、2款SOT-23-6、2款SOT-223。 |
描述LN1139系列是采用CMOS工艺制造的高精度、低噪声正电压LDO稳压器。该系列可实现高纹波抑制和低压差,由标准电压源、误差校正、限流电路、相位补偿电路以及驱动晶体管组成。通过外部输出反馈,用户可轻松获得所需电压
RoHSSMT扩展库
3000个/圆盘
总额¥0
近期成交5单