芯片简介
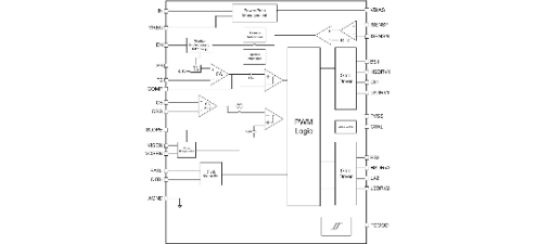
VP3675是一款高效全桥升降压DC/DC控制器,支持4.2V至42V宽输入范围,输出电压可调至45V。采用电流模式控制方案,工作频率100kHz至600kHz可编程,内置2A峰值驱动能力。提供输入/输出平均电流检测、CCM/DCM模式选择、EMI改善选项及电源状态指示功能,集成过压保护、短路保护、过热保护、可编程软启动和输入欠压锁定等多重保护机制。
芯片特点:
输入4.2V~42V
100kHz~600kHz
使能
软启动


VP3675是一款高效全桥升降压DC/DC控制器,支持4.2V至42V宽输入范围,输出电压可调至45V。采用电流模式控制方案,工作频率100kHz至600kHz可编程,内置2A峰值驱动能力。提供输入/输出平均电流检测、CCM/DCM模式选择、EMI改善选项及电源状态指示功能,集成过压保护、短路保护、过热保护、可编程软启动和输入欠压锁定等多重保护机制。
描述42V 宽输入电压 同步降压/升压控制器
RoHSSMT扩展库
4000个/圆盘
总额¥0
近期成交7单