芯片简介
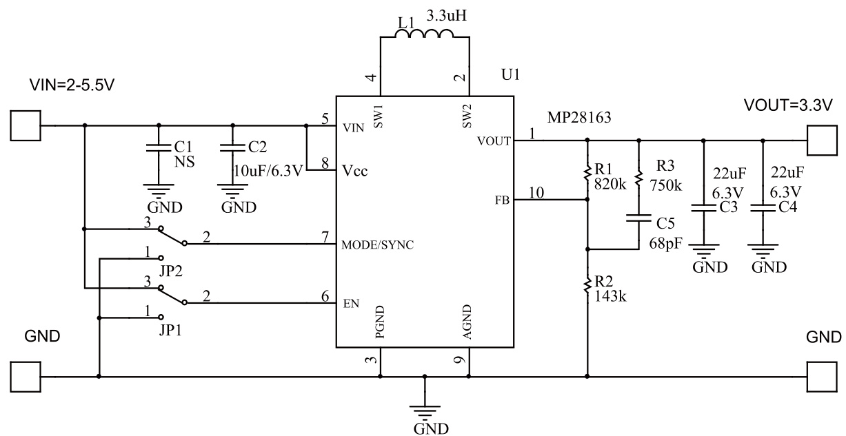
MP28163GQ-Z是一款高效低静态电流的Buck-Boost转换器,支持输入电压高于、低于或等于输出电压。采用1.1MHz固定频率PWM控制,集成低RDS(ON)MOSFET,提供可调输出电压(1.5V至5V)。特性包括高达95%的转换效率、轻载脉冲跳跃模式、内部软启动及过温保护,适用于单节锂离子或多节碱性电池供电场景。
芯片特点:
输入2V~5.5V
输出1.3A
内置MOS
1.1MHz
使能
软启动

MP28163GQ-Z是一款高效低静态电流的Buck-Boost转换器,支持输入电压高于、低于或等于输出电压。采用1.1MHz固定频率PWM控制,集成低RDS(ON)MOSFET,提供可调输出电压(1.5V至5V)。特性包括高达95%的转换效率、轻载脉冲跳跃模式、内部软启动及过温保护,适用于单节锂离子或多节碱性电池供电场景。
描述DCDC升降压,电源输入7V以内,1A~3A(中电流)方案,MP28163是一款高效率的单电感升降压转换器,具有2.9A的开关能力。它可以在输入电压高于、低于或等于输出电压的情况下工作,适用于单节锂离子或多节碱性电池应用。该器件采用固定1.1MHz开关频率的PWM控制,具有内部环路补偿和低静态电流。提供3x3mm QFN10封装。
RoHSSMT扩展库
5000个/圆盘
总额¥0
近期成交1单