芯片简介
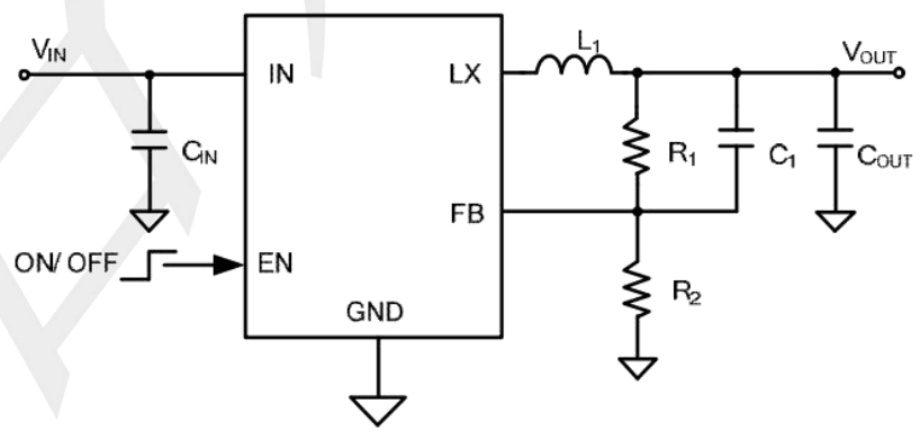
AP3410KTR-TP是一款DCDC降压芯片,输入电压范围为2.5V至5.5V,支持1.2A连续负载电流。内置低RDS(ON)的MOS管,采用1.5MHz固定开关频率,效率高达95%。具有软启动功能以限制浪涌电流,并集成EN使能控制。其内部架构包含峰值电流限制和快速瞬态响应的PWM控制,需外接电感、输入/输出电容及反馈电阻完成电路设计。
芯片特点:
输入2.5V~5.5V
输出1.2A
内置MOS
1.5MHz
使能
软启动

AP3410KTR-TP是一款DCDC降压芯片,输入电压范围为2.5V至5.5V,支持1.2A连续负载电流。内置低RDS(ON)的MOS管,采用1.5MHz固定开关频率,效率高达95%。具有软启动功能以限制浪涌电流,并集成EN使能控制。其内部架构包含峰值电流限制和快速瞬态响应的PWM控制,需外接电感、输入/输出电容及反馈电阻完成电路设计。
描述AP3410KTR-TP是一款高效率1.5MHz,1.2A同步降压调节器,适用于网络、IP摄像头、LCD电视、DSL调制解调器、接入点路由器、数字电视、机顶盒等应用。该调节器具有2.5V至5.5V的输入电压范围,1.2A连续负载电流,2%精度的0.6V参考电压,逐周期峰值电流限制,瞬时PWM架构以实现快速瞬态响应,内部软启动限制浪涌电流,低导通电阻的内部开关(顶部/底部:300/200 mΩ),固定1.5MHz开关频率,最高效率可达95%,符合RoHS和无卤素标准,采用紧凑的SOT23-5封装。
3000个/圆盘
总额¥0
近期成交7单