芯片简介
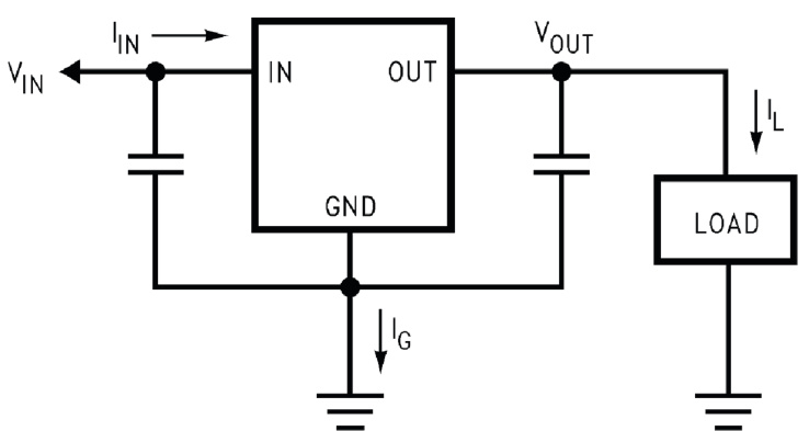
LM317A是一款1%精度的三端可调正压稳压器,支持1.25V至37V输出范围。内置误差放大器、基准电压源和功率晶体管,提供过流保护、热过载保护和短路保护。特性包括0.005%/V的线性调整率、恒流温度补偿、高纹波抑制比及宽工作温度范围。可通过外置电阻实现电压调节,适用于电池充电器、微处理器供电等场景。
芯片特点:
输入40V
输出1.5A/1.0A/0.5A
精度±1%
输出1.25V-37V可调

LM317A是一款1%精度的三端可调正压稳压器,支持1.25V至37V输出范围。内置误差放大器、基准电压源和功率晶体管,提供过流保护、热过载保护和短路保护。特性包括0.005%/V的线性调整率、恒流温度补偿、高纹波抑制比及宽工作温度范围。可通过外置电阻实现电压调节,适用于电池充电器、微处理器供电等场景。
| 开源项目名称 | 开源项目介绍 |
|---|---|
| C2842719-LDO方案验证板(A版) | LDO验证板A版:3款SOT-23-3、3款SOT-89-3、2款SOT-23-5、2款SOT-23-6、2款SOT-223。 |
描述LM317A 1.5A、40V、高精度、可调节线性稳压器
RoHSSMT扩展库
2000个/圆盘
总额¥0
近期成交100单+