芯片简介
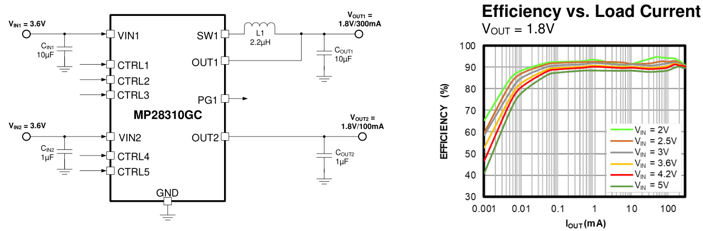
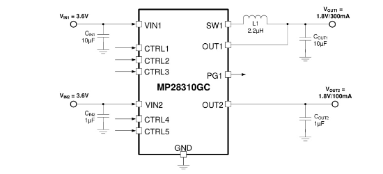
MP28310GC-Z是一款集成300mA高效开关降压转换器和100mALDO的电源管理芯片,具备500nA超低静态电流(IQ)及2V-5.5V宽输入电压范围。采用恒定导通时间(COT)控制技术,支持7种可调降压输出电压和3种LDO输出电压,内置0.25Ω功率MOSFET,提供过流保护、短路保护及热关断功能,适用于轻载高效场景。
芯片特点:
输入2V~5.5V
输出300mA
内置MOS
1.5MHz
使能
软启动

MP28310GC-Z是一款集成300mA高效开关降压转换器和100mALDO的电源管理芯片,具备500nA超低静态电流(IQ)及2V-5.5V宽输入电压范围。采用恒定导通时间(COT)控制技术,支持7种可调降压输出电压和3种LDO输出电压,内置0.25Ω功率MOSFET,提供过流保护、短路保护及热关断功能,适用于轻载高效场景。
描述DCDC降压,电源输入7V以内,1A以内(小电流)方案,
RoHSSMT扩展库
3000个/圆盘
总额¥0