芯片简介
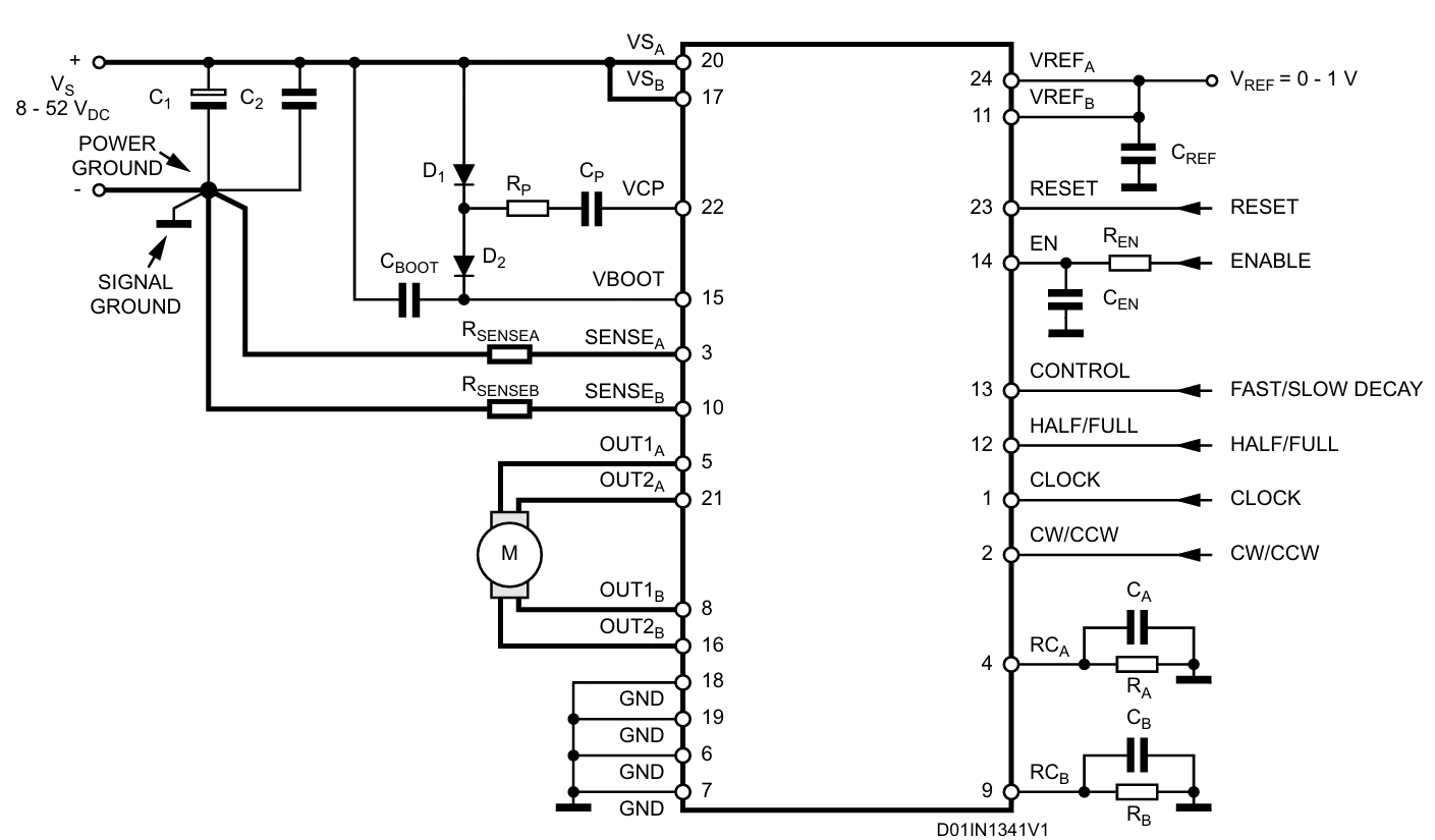
L6208是一款全集成DMOS步进电机驱动器,采用BCD技术制造,具有非耗散过流保护功能。该芯片包含双DMOS全桥、恒定关断时间PWM电流控制器和相位序列发生器,支持两相双极步进电机驱动。特性包括8-52V宽电压输入、5.6A峰值输出电流、0.3Ω典型RDS、快/慢衰减模式选择、集成快速续流二极管,并提供过流保护、热关断及欠压锁定功能。内部结构由功率级、电荷泵电路、逻辑输入控制模块、PWM电流控制器、衰减模式选择器和保护电路组成。
芯片特点:
输入8V~52V
输出2.8A
内置MOS
电流检测




