芯片简介
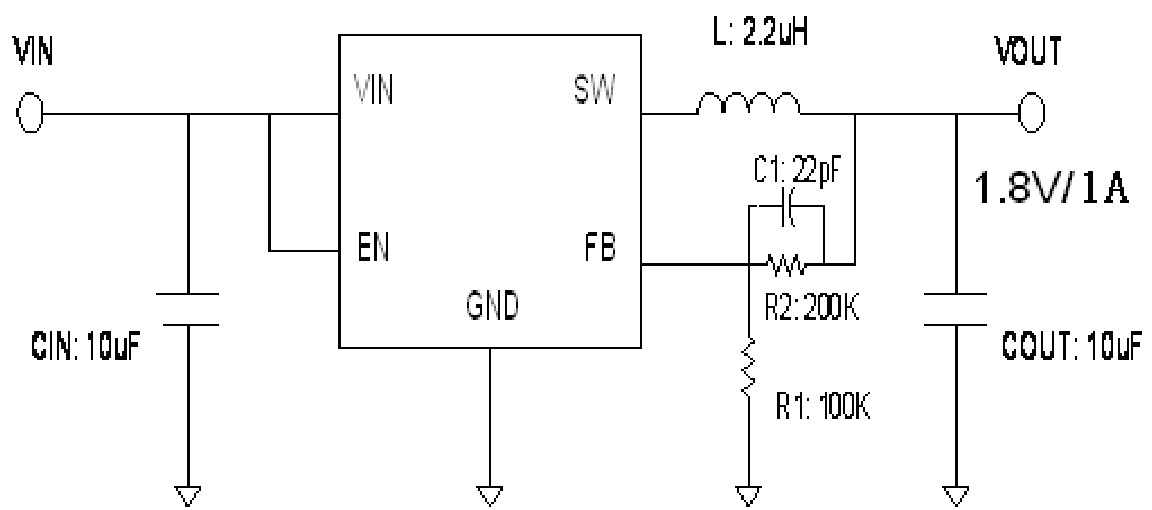
XM5062S-ADJ是一款同步降压型DC/DC转换器,专为锂离子电池供电系统和小型电路板设计。具有1A输出电流、高达96%的转换效率、20μA低静态电流及1.5MHz固定开关频率,内置MOSFET无需外部二极管,支持0.6V至输入电压的可调输出。采用控制电路与驱动电路集成设计,优化瞬态响应。
芯片特点:
输入2.5V~6.0V
输出1A
内置MOS
1.5MHz
使能

XM5062S-ADJ是一款同步降压型DC/DC转换器,专为锂离子电池供电系统和小型电路板设计。具有1A输出电流、高达96%的转换效率、20μA低静态电流及1.5MHz固定开关频率,内置MOSFET无需外部二极管,支持0.6V至输入电压的可调输出。采用控制电路与驱动电路集成设计,优化瞬态响应。
描述XM5062SADJ是一款1A输出电流的同步降压转换器,具有高效率(最高可达96%),固定1.5MHz开关频率,适用于锂离子电池供电系统和小型电路板应用。它具有内部开关,无需外部肖特基二极管,可在宽输入电压范围内(2.5V至6.0V)工作,输出电压可调(0.6V至VIN)。
RoHSSMT扩展库
3000个/圆盘
总额¥0
近期成交5单