芯片简介
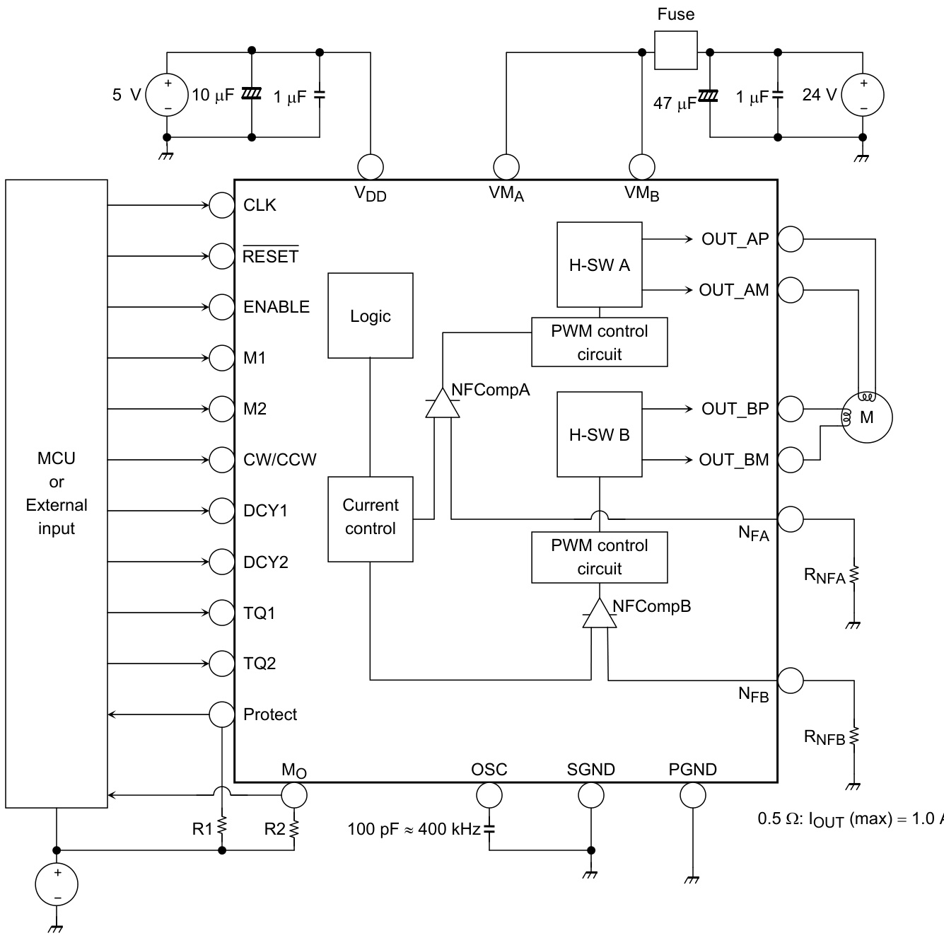
TB6560AHQ/AFG是一款PWM斩波型双极步进电机驱动IC,支持正弦输入微步控制,适用于2相、1-2相、2W1-2相和4W1-2相励磁模式。通过时钟信号实现低振动、高性能正反转驱动,集成H桥驱动电路、电流检测模块和保护电路,提供热关断功能和高输出耐压。
芯片特点:
输入40V
输出3.5A/3A
接口PWM
电流检测

TB6560AHQ/AFG是一款PWM斩波型双极步进电机驱动IC,支持正弦输入微步控制,适用于2相、1-2相、2W1-2相和4W1-2相励磁模式。通过时钟信号实现低振动、高性能正反转驱动,集成H桥驱动电路、电流检测模块和保护电路,提供热关断功能和高输出耐压。
描述用于步进电机控制的PWM斩波式双极驱动IC
SMT扩展库
14个/管
总额¥0
近期成交28单