芯片简介
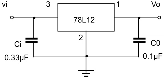
78L12是一款三端正电压稳压器,提供12V固定输出电压和0.1A输出电流,具有低噪声特性和0.5W持续总功耗。其输出电压在25℃时范围为11.5V至12.5V,适用于需要稳定低噪声电源的应用场景。
芯片特点:
输入35V
输出0.1A
精度±4.17%
功耗:0.50W
输出12V

78L12是一款三端正电压稳压器,提供12V固定输出电压和0.1A输出电流,具有低噪声特性和0.5W持续总功耗。其输出电压在25℃时范围为11.5V至12.5V,适用于需要稳定低噪声电源的应用场景。
| 开源项目名称 | 开源项目介绍 |
|---|---|
| C2842719-LDO方案验证板(A版) | LDO验证板A版:3款SOT-23-3、3款SOT-89-3、2款SOT-23-5、2款SOT-23-6、2款SOT-223。 |
描述特性:最大输出电流 IoM:0.1A。 输出电压 Vo:12V。 连续总功耗 PD:0.50W
RoHSSMT扩展库
1000个/圆盘
总额¥0
近期成交2单